EasyManua.ls Logo

Panasonic CU-E21DKE - 7 Wiring Diagram

Panasonic CU-E21DKE
122 pages
Print Icon
To Next Page IconTo Next Page
To Next Page IconTo Next Page
To Previous Page IconTo Previous Page
To Previous Page IconTo Previous Page
Loading...
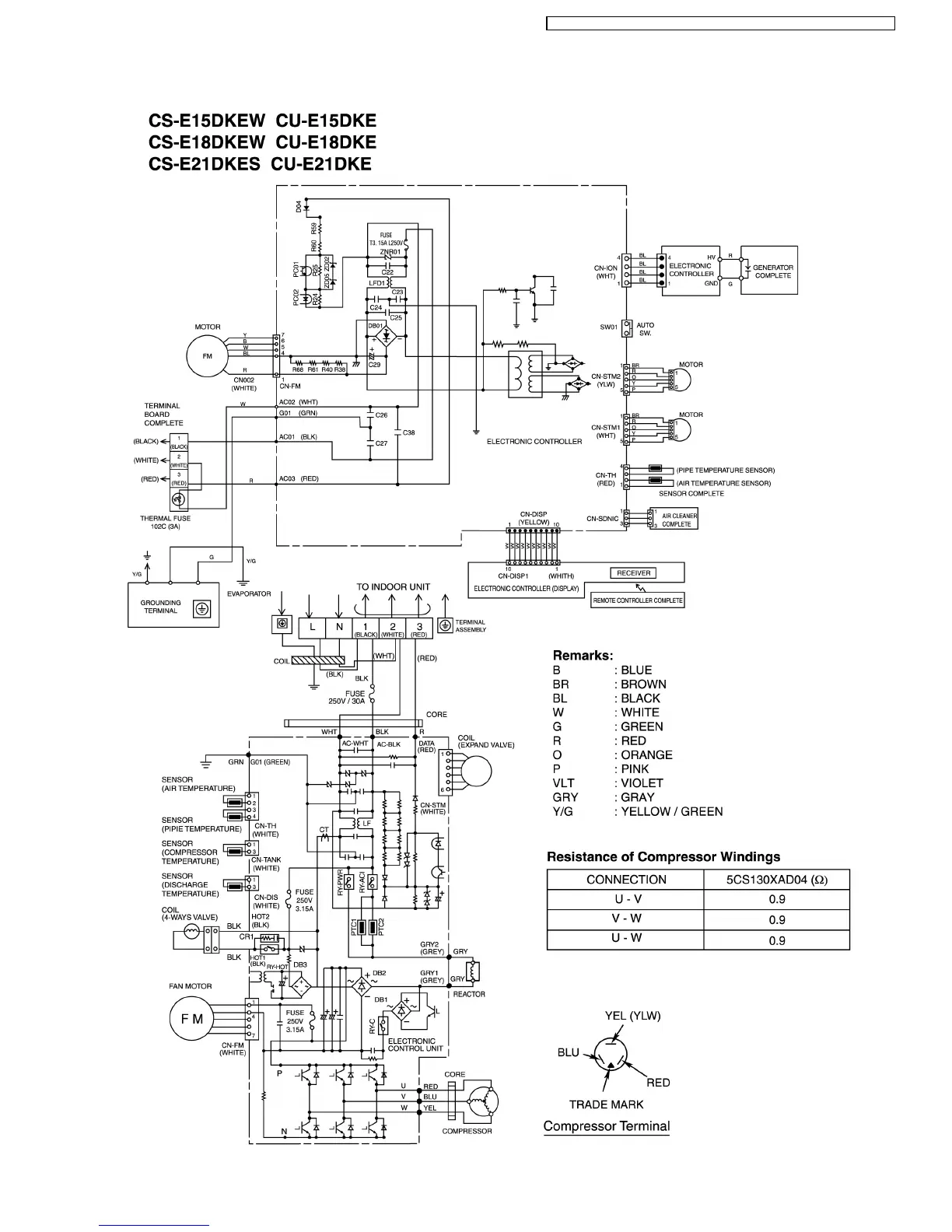
7 Wiring Diagram
17
CS-E15DKEW CU-E15DKE / CS-E18DKEW CU-E18DKE / CS-E21DKES CU-E21DKE

Table of Contents

Other manuals for Panasonic CU-E21DKE

Related product manuals