EasyManua.ls Logo

Panasonic CU-E28PKR - Page 51

Panasonic CU-E28PKR
205 pages
Print Icon
To Next Page IconTo Next Page
To Next Page IconTo Next Page
To Previous Page IconTo Previous Page
To Previous Page IconTo Previous Page
Loading...
51
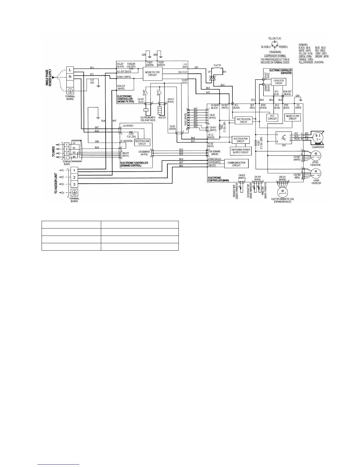
8.2.5 CU-E28PKR
Resistance of Compressor Windings
CONNECTION 5KD240XAF21 ()
U-V 0.720
U-W 0.726
V-W 0.708

Table of Contents

Other manuals for Panasonic CU-E28PKR

Related product manuals