EasyManua.ls Logo

Panasonic CU-PS24NKH - 5 Refrigeration Cycle Diagram; Cs-Ps9 Nkh Cu-Ps9 Nkh Cs-Ps12 Nkh Cu-Ps12 Nkh

Panasonic CU-PS24NKH
123 pages
Print Icon
To Next Page IconTo Next Page
To Next Page IconTo Next Page
To Previous Page IconTo Previous Page
To Previous Page IconTo Previous Page
Loading...
18
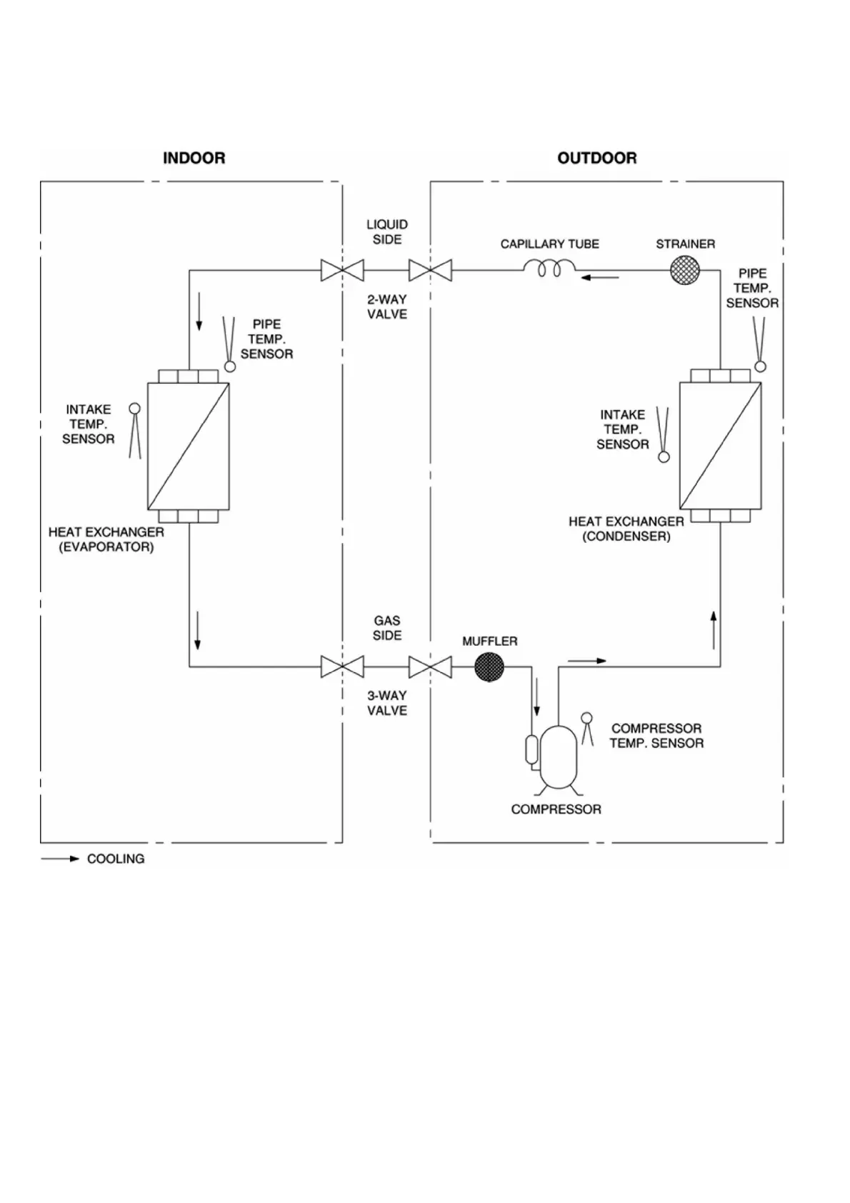
5. Refrigeration Cycle Diagram
5.1 CS-PS9NKH CU-PS9NKH CS-PS12NKH CU-PS12NKH

Table of Contents

Related product manuals