EasyManua.ls Logo

Panasonic CU-PS24NKH - Wiring Connection Diagram; Indoor Unit Wiring

Panasonic CU-PS24NKH
123 pages
Print Icon
To Next Page IconTo Next Page
To Next Page IconTo Next Page
To Previous Page IconTo Previous Page
To Previous Page IconTo Previous Page
Loading...
24
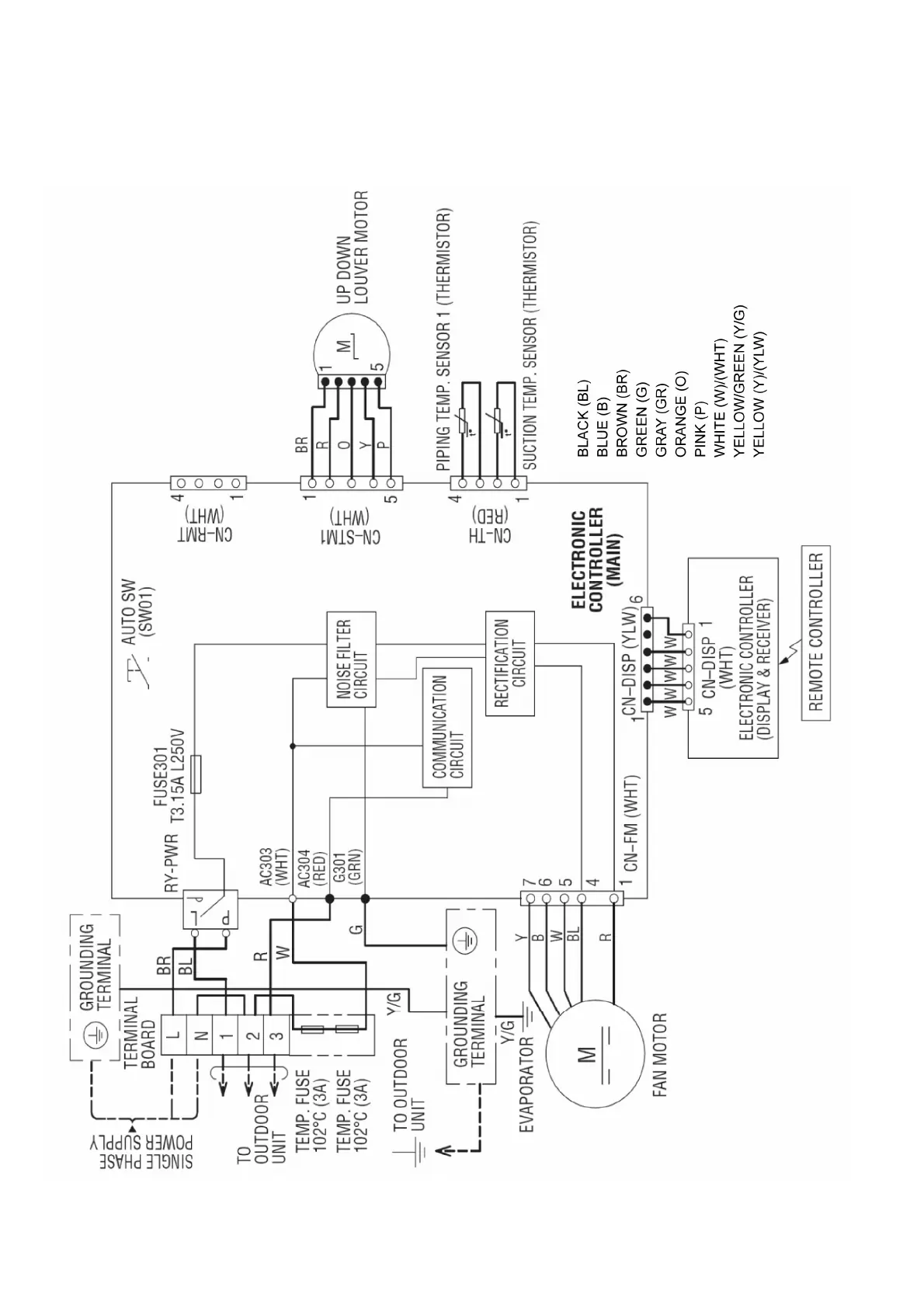
7. Wiring Connection Diagram
7.1 Indoor Unit
7.1.1 CS-PS9NKH CS-PS18NKH CS-PS24NKH

Table of Contents

Related product manuals