EasyManua.ls Logo

Panasonic CU-PS24NKH - Page 27

Panasonic CU-PS24NKH
123 pages
Print Icon
To Next Page IconTo Next Page
To Next Page IconTo Next Page
To Previous Page IconTo Previous Page
To Previous Page IconTo Previous Page
Loading...
27
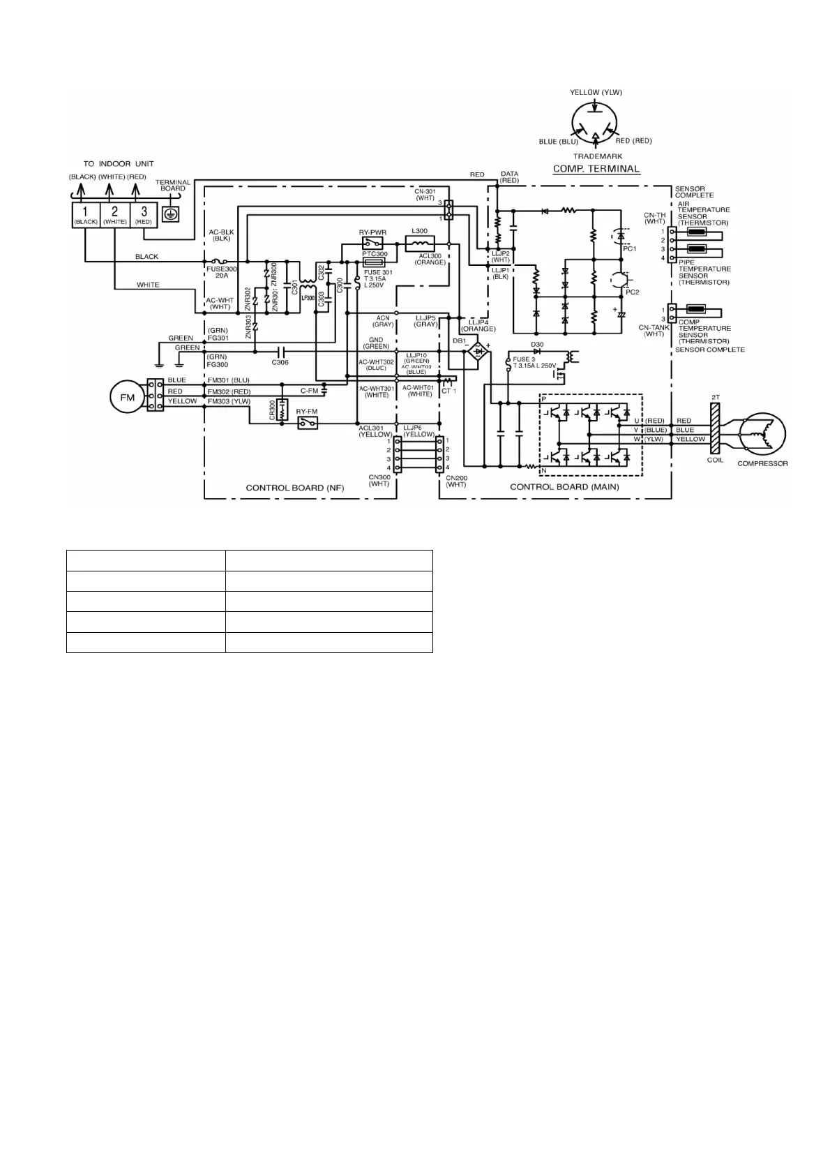
7.2.2 CU-PS12NKH
Resistance of Compressor Windings
MODEL CU-PS12NKH
CONNECTION 5RS092XCE21
U-V 1.152
U-W 1.152
V-W 1.152

Table of Contents

Related product manuals