EasyManua.ls Logo

Panasonic CU-PS24NKH - Page 35

Panasonic CU-PS24NKH
123 pages
Print Icon
To Next Page IconTo Next Page
To Next Page IconTo Next Page
To Previous Page IconTo Previous Page
To Previous Page IconTo Previous Page
Loading...
35
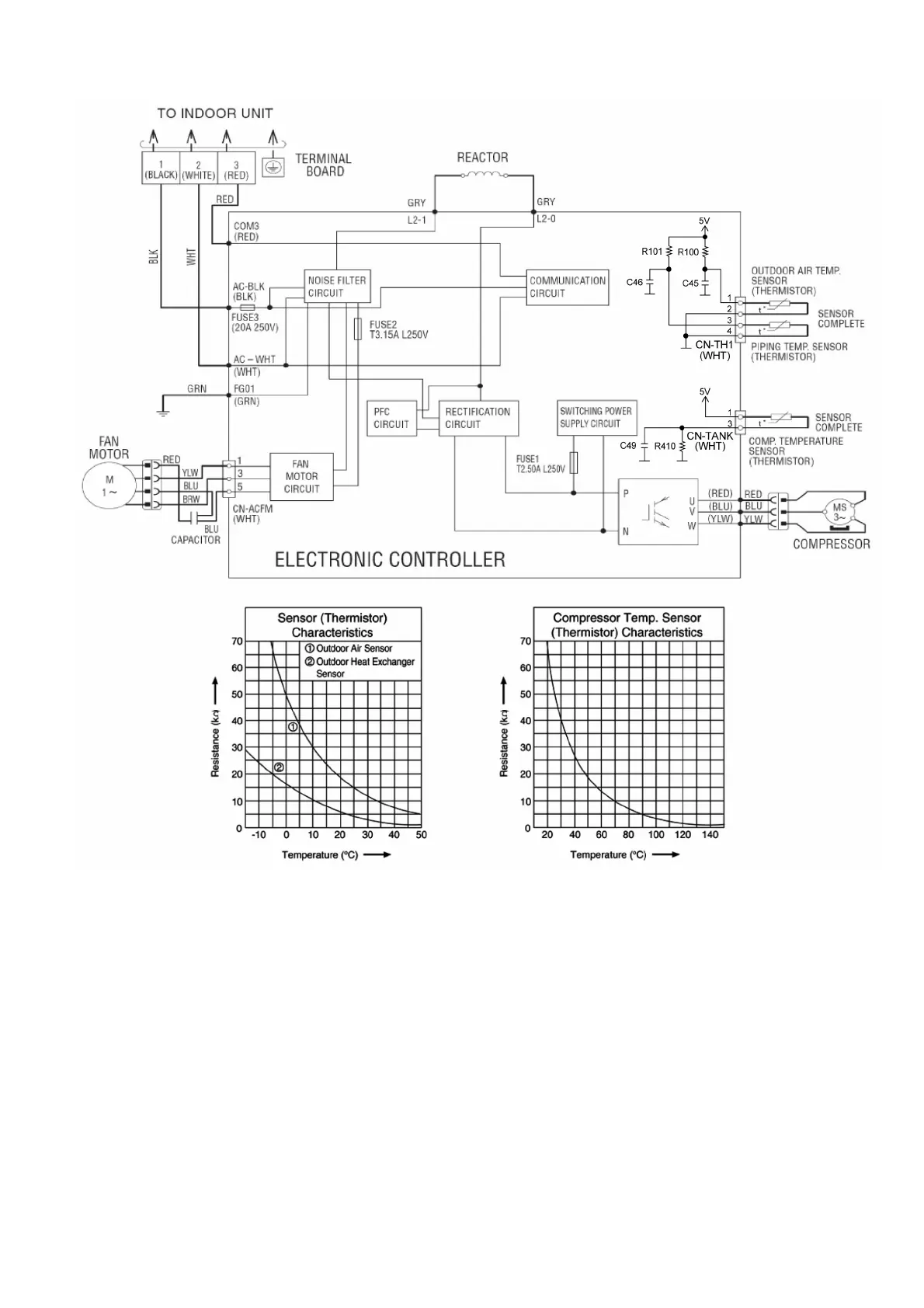
8.2.4 CU-PS24NKH

Table of Contents

Related product manuals