EasyManua.ls Logo

Panasonic CU-V28BBP5 - Circuit Diagram

Panasonic CU-V28BBP5
133 pages
Print Icon
To Next Page IconTo Next Page
To Next Page IconTo Next Page
To Previous Page IconTo Previous Page
To Previous Page IconTo Previous Page
Loading...
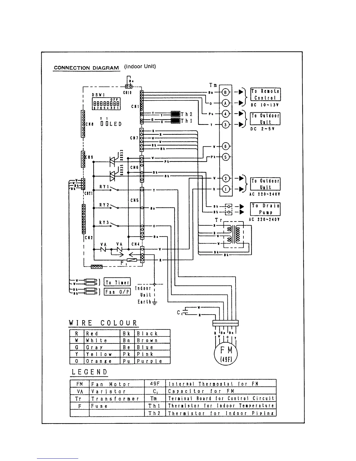
6 CIRCUIT DIAGRAM
CS-W24BD2P, CS-W28BD2P
26

Other manuals for Panasonic CU-V28BBP5

Related product manuals