EasyManua.ls Logo

Panasonic CU-W7DKE - Page 85

Panasonic CU-W7DKE
92 pages
Print Icon
To Next Page IconTo Next Page
To Next Page IconTo Next Page
To Previous Page IconTo Previous Page
To Previous Page IconTo Previous Page
Loading...
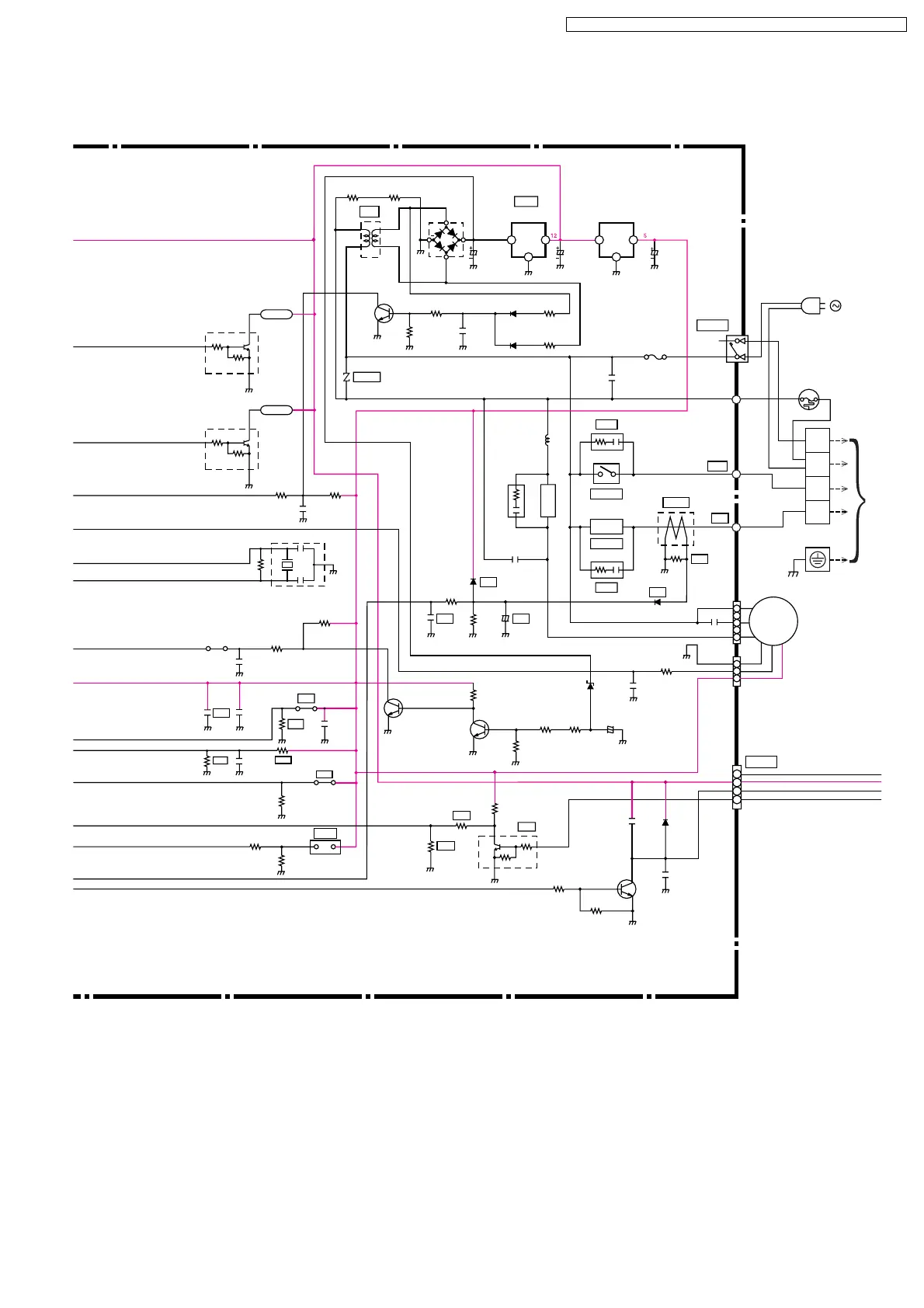
SCHEMATIC DIAGRAM 3/4
TEST
R02 1k
R01
10k
R32
150k
4.096 MHz
(47pF X 2)
R41
1k
Q03
C143XKTX
R44
1k
C16
0.01µ
R37
10k
12
R38
JX1
C15
0.01µ
R43
R79
10k
X01
CN-ION
4
3
2
1
C37
0.01µ
Q05
C2412KTX
C10
0.1µ
16V
JP3
R49 1k
JP4
C17
3300µ
35V
C14
470µ
25V
C11
100µ
16V
IC03
G
I
5V12V
I
G
IC04
DB01
T01
5
8
13
2
REGULATOR
REGULATOR
+
~
~
OO
TEMPERATURE
FUSE
TO OUTDOOR
RY-PWR
AC-WHT
T 2A L 250V
FUSE
P
L
RED
BLU
RY-HOT
CT01
R35
D14
D13
C09C06
HOT
FM
SSR02
e
c
b
Q08
R61
10k
R67
R62
C36
Q07
R64
6.2k
D01
R63
6.2k
c
b
e
C32
0.01µ
C31
0.01µ
CN-FM
5
4
3
2
1
CN-FB
R36
1k
3
2
1
FAN MOTOR
CR01
CR02
+
R34
10k
R26
1k
C03
0.047µ
C-FM
1.5µ
ZNR01
SSR01
CR03
L01
125µH
C19
0.047µ
C12
0.1µ
16V
C21
10µ
50V
c
b
e
R66 R48
R29
1.6k
R03 1.3k
4.7k
10k
R57 12k
C07
0.1µ
16V
D16
R47 12k
D15
R50
100k
C18
0.1µ
16V
c
b
e
Q06
C2412KTX
c
b
e
R54
6.2k
R51
10k
R53
10k
R52
6.2k
+
Z01
7.5V
e
c
b
SSR01
Q02
C143XKTX
4.7k
10k
e
c
b
SSR02
3
4
1
2
85
CS-W7DKE CU-W7DKE / CS-W9DKE CU-W9DKE / CS-W12DKE CU-W12DKE

Table of Contents

Related product manuals