EasyManua.ls Logo

Panasonic FV-10VE2 - Description; Wiring Diagram

Panasonic FV-10VE2
20 pages
Print Icon
To Next Page IconTo Next Page
To Next Page IconTo Next Page
To Previous Page IconTo Previous Page
To Previous Page IconTo Previous Page
Loading...
Energy Recovery Introduction: Compared to HRV (Heat Recovery Ventilator), ERV can also
transfer humidity and recover energy from that humidity. ERV can exchange energy
between “stale” EA and “fresh” OA, by transferring heat and moisture into the incoming cold
air, and pre-cooling and reducing the humidity of the incoming hot air. This helps maintain a
fresh environment even when the heating or cooling system is not operating.
<Heating>
<Cooling>
Heat&
Moisture
Fresh air
Fresh air
Exhaust air
(EA)
Outside air
(OA)
Exhaust air
(EA)
Outside air
(OA)
Stale air
Indoor
Stale air
Indoor
Outdoor
Outdoor
4
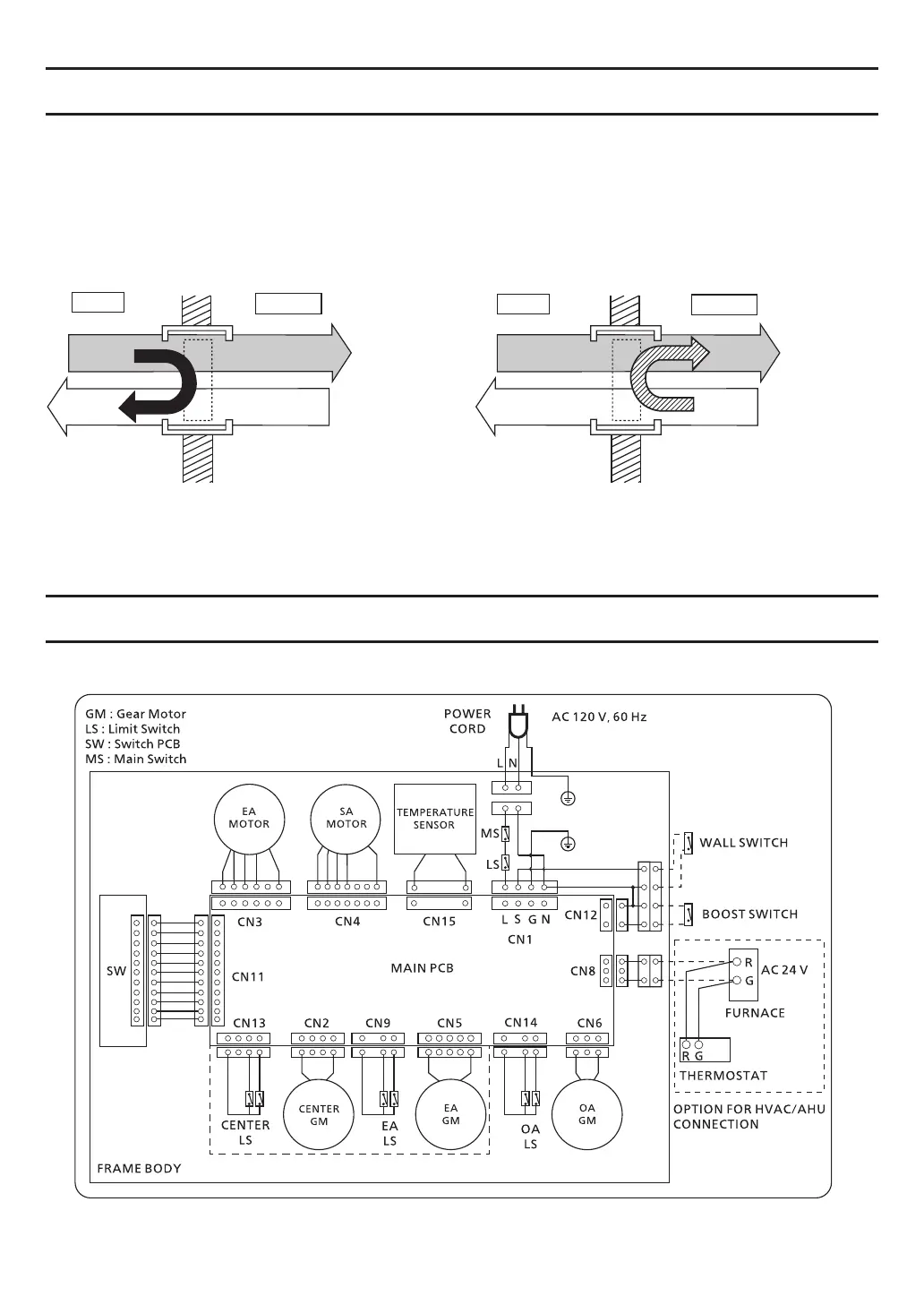
DESCRIPTION
WIRING DIAGRAM
Heat&
Moisture
FV-10VEC2/FV-10VE2
OnlyFV-10VEC2

Other manuals for Panasonic FV-10VE2

Related product manuals