EasyManua.ls Logo

Panasonic NA-F70GS

Panasonic NA-F70GS
19 pages
To Next Page IconTo Next Page
To Next Page IconTo Next Page
To Previous Page IconTo Previous Page
To Previous Page IconTo Previous Page
Loading...
12
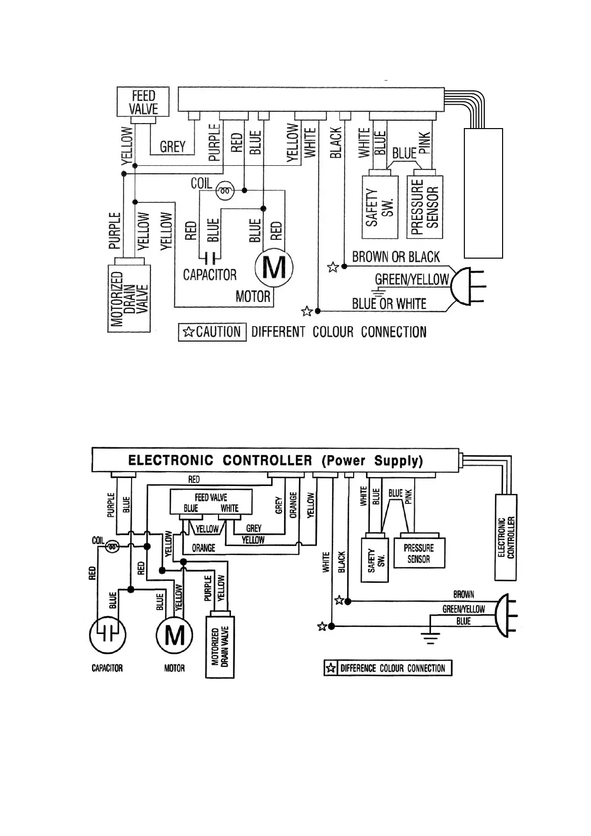
WIRING DIAGRAM
ELECTRONIC CONTROLLER
ELECTRONIC CONTROLLER (Power Supply)
MODEL: NA-F70GS/
NA-F850GS
MODEL: NA-F90GS

Related product manuals