EasyManua.ls Logo

Panasonic NN-SD577M - Digital Programmer Circuit

Panasonic NN-SD577M
21 pages
Print Icon
To Next Page IconTo Next Page
To Next Page IconTo Next Page
To Previous Page IconTo Previous Page
To Previous Page IconTo Previous Page
Loading...
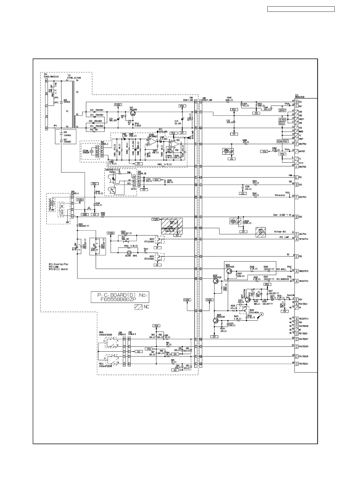
5 DIGITAL PROGRAMMER CIRCUIT
5.1. SCHEMATIC DIAGRAM (NN-GD577M, SD577M)
17
NN-GD577M / NN-SD577M / NN-GT547W

Related product manuals