EasyManua.ls Logo

Panasonic NN-SD985S - Schematic Diagram

Panasonic NN-SD985S
44 pages
Print Icon
To Next Page IconTo Next Page
To Next Page IconTo Next Page
To Previous Page IconTo Previous Page
To Previous Page IconTo Previous Page
Loading...
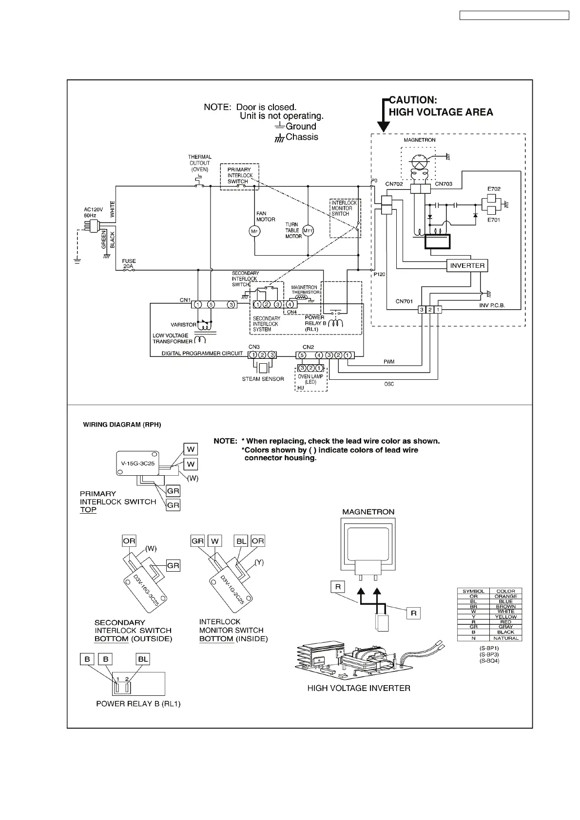
1 SCHEMATIC DIAGRAM
5
NN-SE995S / NN-SD985S / NN-ST965S

Table of Contents

Related product manuals