EasyManua.ls Logo

Panasonic NN-SD987S - SN947 S Model Circuit Diagram

Panasonic NN-SD987S
29 pages
Print Icon
To Next Page IconTo Next Page
To Next Page IconTo Next Page
To Previous Page IconTo Previous Page
To Previous Page IconTo Previous Page
Loading...
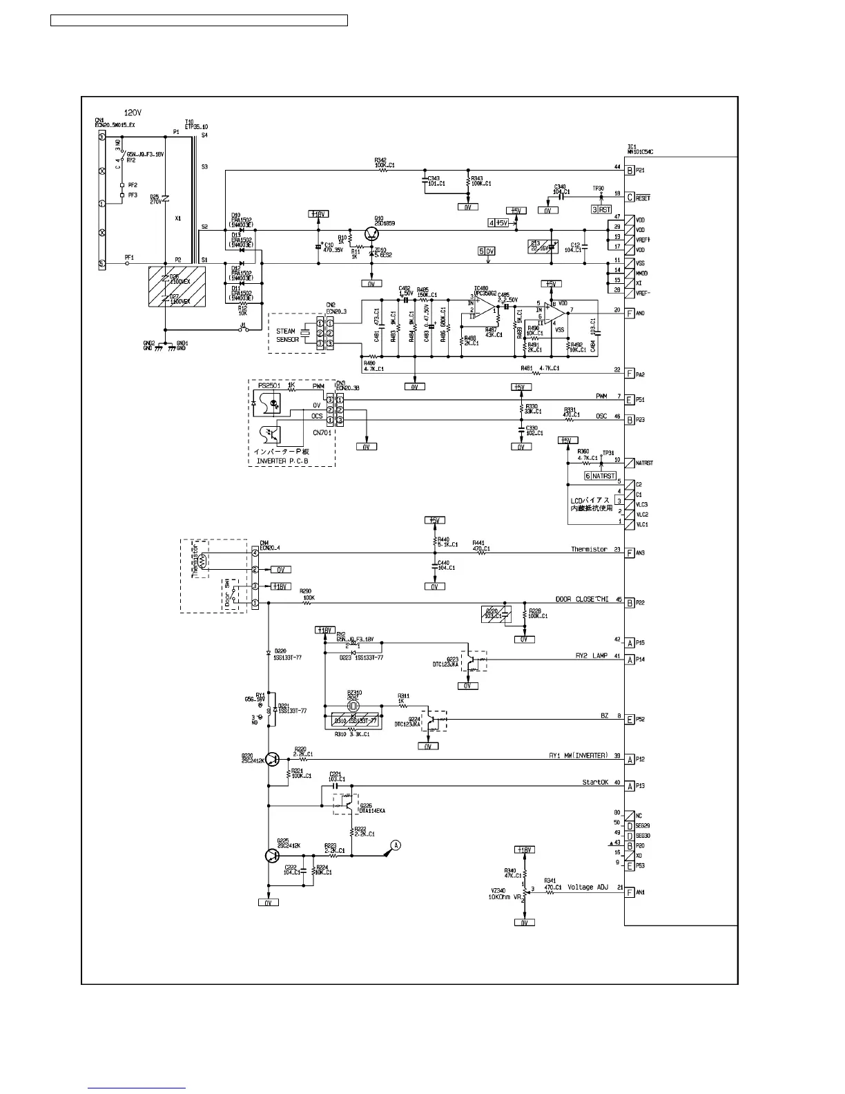
7.5. NN-SN947S APH
26
NN-SD997S / NN-SD987S / NN-SD967S / NN-SN977S / NN-SN957S / NN-SN947S

Related product manuals