EasyManua.ls Logo

Panasonic NN-ST557M - Installation and General Instructions; General Use Guidelines; Food Handling and Cooking Advice

Panasonic NN-ST557M
16 pages
Print Icon
To Next Page IconTo Next Page
To Next Page IconTo Next Page
To Previous Page IconTo Previous Page
To Previous Page IconTo Previous Page
Loading...
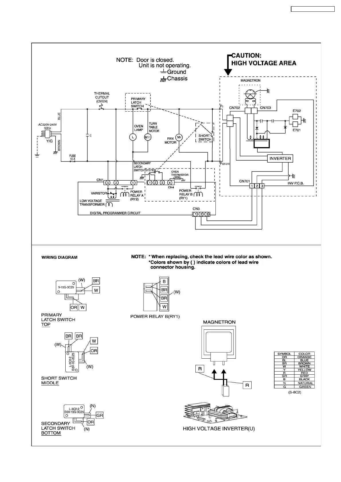
1 SCHEMATIC DIAGRAM
5
NN-ST557M / NN-ST557W

Other manuals for Panasonic NN-ST557M

Related product manuals