EasyManua.ls Logo

Panasonic NN-ST657S - Schematic Diagram

Panasonic NN-ST657S
27 pages
Print Icon
To Next Page IconTo Next Page
To Next Page IconTo Next Page
To Previous Page IconTo Previous Page
To Previous Page IconTo Previous Page
Loading...
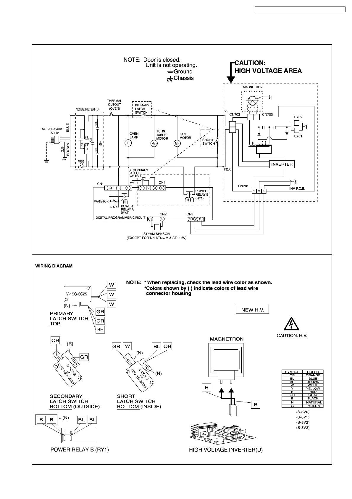
1 SCHEMATIC DIAGRAM
5
NN-ST657S / NN-ST677M / NN-ST667W / NN-ST657W

Related product manuals