EasyManua.ls Logo

Panasonic NN-ST962S - Schematic Diagram (NN-ST962 S)

Panasonic NN-ST962S
38 pages
Print Icon
To Next Page IconTo Next Page
To Next Page IconTo Next Page
To Previous Page IconTo Previous Page
To Previous Page IconTo Previous Page
Loading...
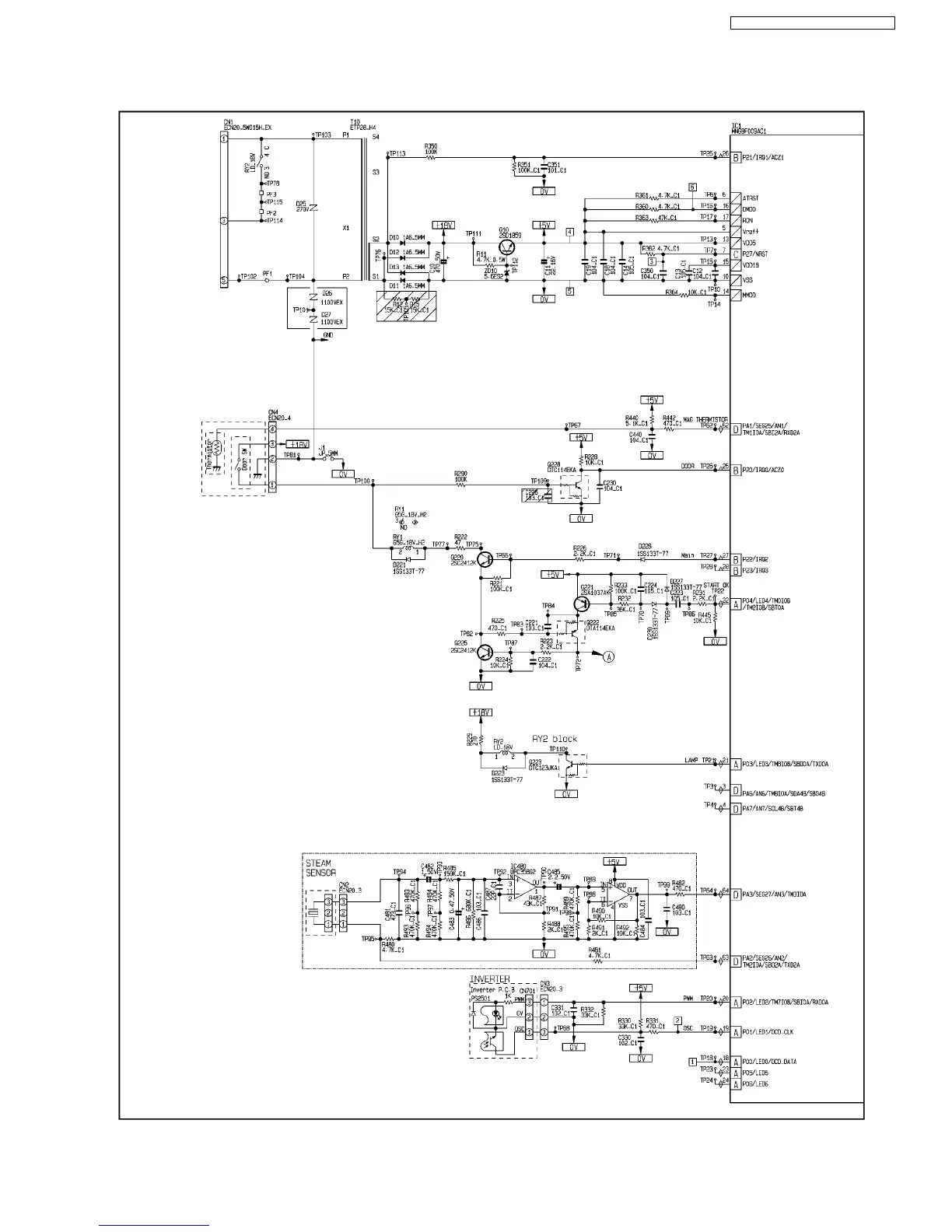
10.3. SCHEMATIC DIAGRAM (NN-ST962S)
39
NN-SE992S / NN-SD982S / NN-ST962S

Table of Contents