EasyManua.ls Logo

Panasonic NV-DA1 - Page 156

Panasonic NV-DA1
209 pages
Print Icon
To Next Page IconTo Next Page
To Next Page IconTo Next Page
To Previous Page IconTo Previous Page
To Previous Page IconTo Previous Page
Loading...
AMP57
AMP 1413
AMP 810
AMP 12
ECM(LR)
ECM(RF)
ECM(LF)
MIC
MIC(R)
AMP
MIC(L)
AMP
Q4810
Q4811
AMP
3
5
4
2
1
MIC JACK
Q4901,Q4902
Q4903,Q4904
PS4902PP4802
22 22
PS4902PP4802
99
WIDE SW
QR4903
(WIND SW :ON)
QR4904
(WIND SW :ON)
PP4901PP4802
1616
AMP
AMP
AMP
3
5
4
6
AUDIO
I/F
MCLK
LRCK
BCLK
SDT O
SDT I
21
20
95
94
96
86
93
IC4501(AUDIO I/F)
AMP
5
2
4
1
Q4702
AMP
12
11
10
9
8
IC3003(CAS)
~
50
47
DATA
IN/OUT
68
67
FSO
FS1
FROM/TO
VIDEO
TO
IC3005-39,40
REFER TO
VIDEO BLOCK
FRONT/MIC SECTION
AUDIO OUT (L)
AUDIO OUT (R)
HP(R)
AMP
VR(L)
HP(L)
AMP
+
VR CTL
MUTE
1
3
6
2
4VR(R)
SPEAKER
AMP
TO
SPEAKER
FP4803
4
P3001
2
S.OUT(+)
S.OUT(-)
14
13
QR4201
(SPK ON :OFF)
NOREG20
10
7
8
9
FROM
IC2006-15
IC4801
FROM
IC2011-27
MIX
OUT
SPIN1
SPIN2
SP IN
CTL
SP ON/OFF
HP VCC
IN(R)
IN(L)
IC4201(SPEAKER AMP)
A OUT R
A OUT L
RIN1
RIN2
LIN1
LIN2
1
P3001
EMM(RR)
FP4803
5
FP4803
2
FP4803
1
FP4802FP4901
52
FP4802FP4901
34
AMP
Q4703
DIN AOUT14
SOUND
TITLE CTL
PP4901PP4802
1313
PP4901PP4802
1717
FROM
IC2011-3
FROM
IC2011-12
Q4701
QR4203
PS4902
PS4902
PP4802
PP4802
20
11
20
11
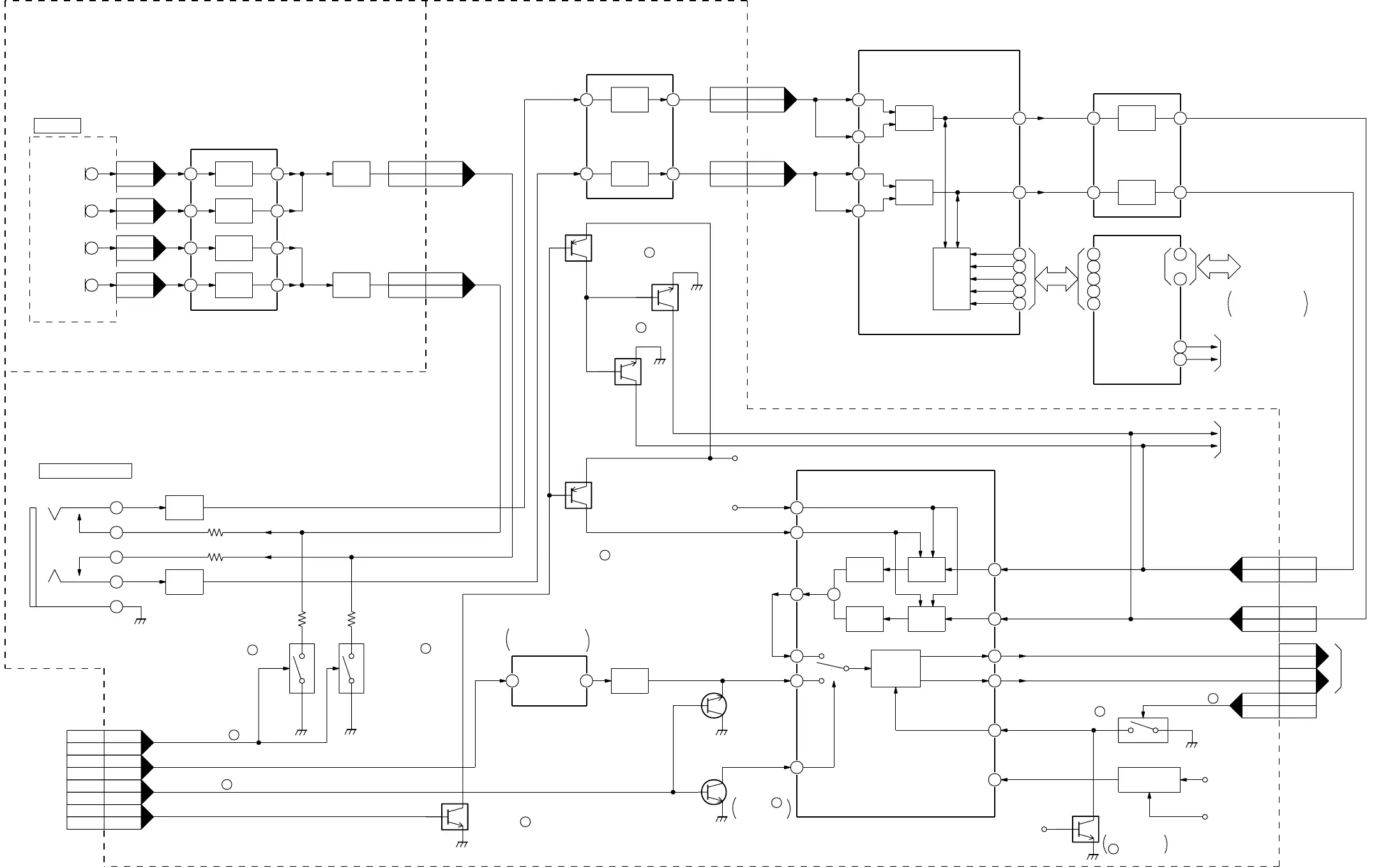
SPEAKER AMP/MIC AMP/SOUNDTITLE SECTION
PP4901PP4802
1212
FROM
IC2001-68
S TITLE DI
ST ON
A MUTE
QR4001
(A MUTE :ON)
IC4701
QR4003
QR4002
QR4004
(A MUTE :OFF)
(A MUTE :ON)
(A MUTE :OFF)
REG 5V
TO J4051
AV OUT
AMP
AMP
6
2
7
1
IC4001
(MUTE)
ST ON
:OFF
SWITCHING
REG 5V
Q4001
FROM J4051
AV 4P SW2
QR4202
1818
PP4802PP4901
FROM
IC2011-26
SPK ON
AV 4P SW2
:OFF
J4901
H
H
H
L
L
H
L
H
L
L
L
L