EasyManua.ls Logo

Panasonic NV-DA1 - Page 160

Panasonic NV-DA1
209 pages
Print Icon
To Next Page IconTo Next Page
To Next Page IconTo Next Page
To Previous Page IconTo Previous Page
To Previous Page IconTo Previous Page
Loading...
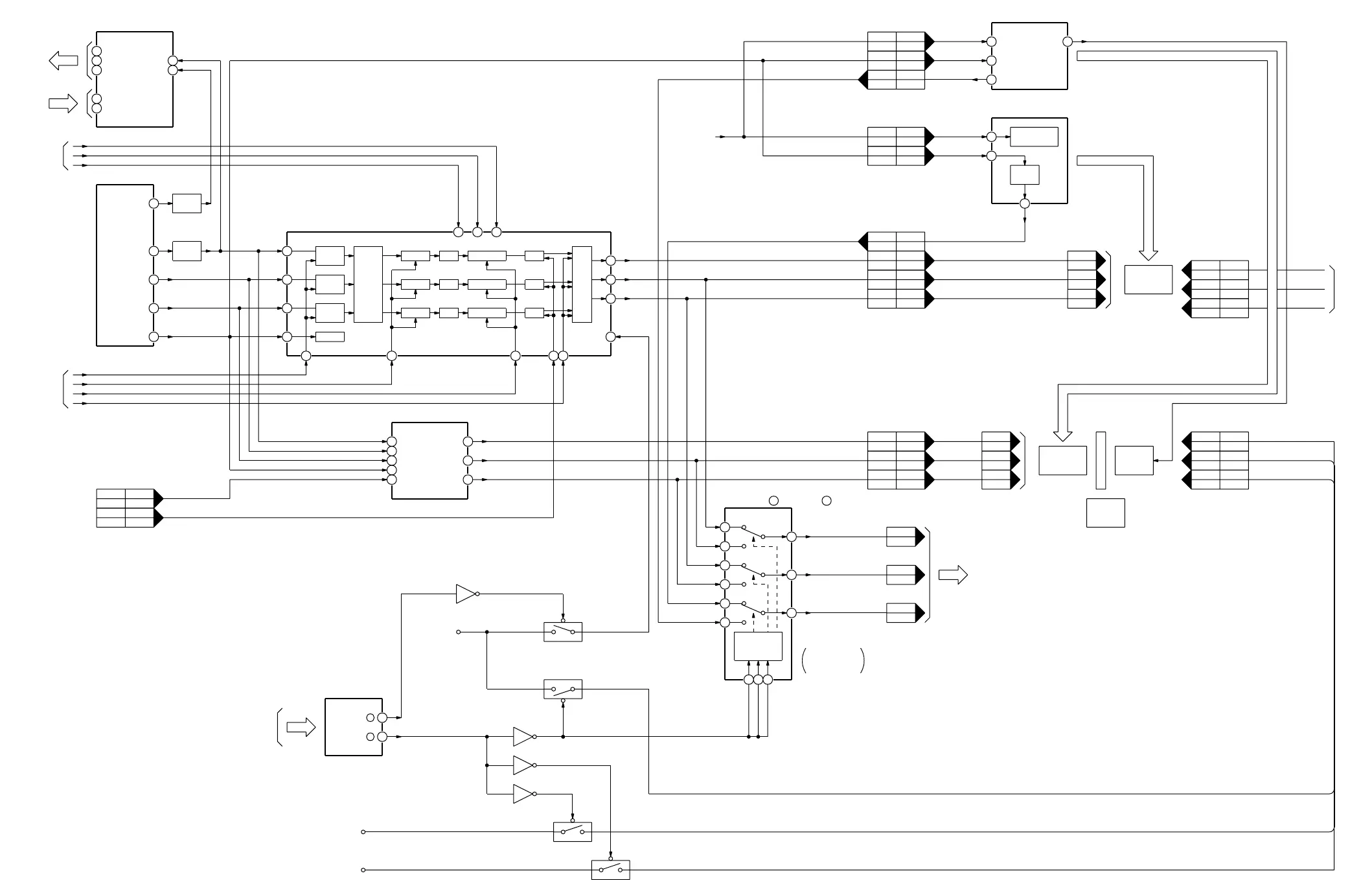
TO
AV JACK
S-JACK
8
3
C OUT
EVF HD
IC3001(DV I/O)
12
9
14
2
18
V OUT
Y OUT
C OUT
Y GAIN CNT
C GAIN CNT
1
19
Y IN
C IN
IC3006
13
18
27
Y OUT
R-Y OUT
B-Y OUT
AMP
AMP
Q3001
Q3002
4
6
5
30
Y IN
R-Y IN
B-Y IN
FRP
R OUT
G OUT
B OUT
20
22
24
IC604
(EVF ON /LCD ON )
4
6
5
29
20
22
24
IC601
(VIDEO PROCESS FOR MONITOR)
FROM
IC2006
EVR D/A
LCD ON
EVF ON
35
34
Q603
(MONITOR 12V:ON)
LCD
12V
Q609
Q610
QR601
QR604
REG
5V
Q602
(EVF 12V:ON)
Q608
(EVF 5V:ON)
Q601
(EVF 3V:ON)
M 12V
EVF 3V
M
E
M
E
M
E
1
2
13
12
3
5
15
14
4
S W
CONT.
91011
FP801 FP3501
415
FP3501 FP801
22
FP3501 FP801
11
FP602 FP904
518
V.BLK
LCD HD
E.VD
E.HD
FP3501 FP801
55
FP602 FP904
617
FP3501 FP801
15 15
FP3501 FP801
14 14
FP602 FP904
7,8 15,16
FP602 FP904
11,12 11,12
FP602 FP904
9,10 13,14
FP602 FP904
16 7
EVF 12V
EVF 5V
M-R-OUT
M-G-OUT
24
22
FP901
FP901
FP901
23
M-B-OUT
FP802
9
FP802
8
FP802
7
E-R-OUT
E-G-OUT
E-B-OUT
MON-G-OUT
MON-B-OUT
MON-PLL-OUT PP3001
54
PP3001
9
PP3001
8
IC2011(PC I/F)
TO
EVR
34
37
32
IC901
(LCD DRIVER)
45
43
11V-SYNC
PCO
IC802
(EVF DRIVER)
BLD
LCD
CONTROLLER
1/2
EVF
LCD PANEL
FP801 FP3501
88
FP801 FP3501
12 12
FP801 FP3501
11 11
EVF 12V
EVF 5V
EVF 3V
MONITOR
LCD PANEL
BACK
LIGHT
BACK
LIGHT
DRIVE
BL881
T881
Q881
(V.DRIVE)
5
HD
VD
PD
H-SYNC
IC602
(VIDEO PROCESS FOR EVF)
NOTE:
M:MONITOR
E:EVF
CLAMP
CLAMP
CLAMP
14
MATRIX
GAMMA
GAMMA
8
GAMMA
CONTRAST INV
INV
INV
CONTRAST
CONTRAST
S/H
S/H
S/H
10
33
OUT
PUT
AMP
30
RGB
AMP
COLOR
OSD
B
CONTRAST
FROM
IC2003
(CG)
Y
IN
R-Y
IN
B-Y
IN
HD
R
OUT
G
OUT
B
OUT
FRP
14 HD
FP3501 FP801
13 13
45
GAMMA1
OSD
R
12
OSD
G
11
FROM
IC2006
(D/A)
FROM
IC3001-28
FP903 FP304
16 14
FP903 FP304
11 9
-15V
FP903 FP304
12,13 10,11
M 13.5V
M 5V
FROM
POWER
REG
3V
25VCC
FROM
IC802-41
FROM
IC901-11
FP904 FP602
10 13
FROM CONTROL
IC2001
H
H
L
H