EasyManua.ls Logo

Panasonic NV-DA1 - Page 161

Panasonic NV-DA1
209 pages
Print Icon
To Next Page IconTo Next Page
To Next Page IconTo Next Page
To Previous Page IconTo Previous Page
To Previous Page IconTo Previous Page
Loading...
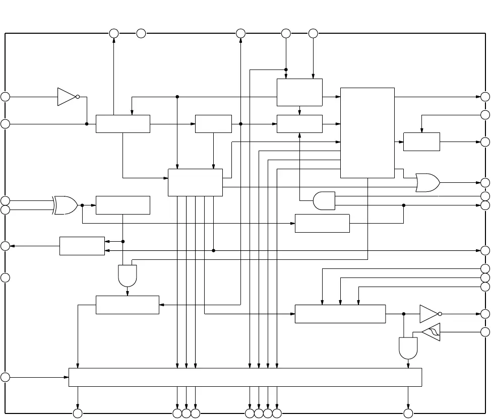
LEVEL SHIFTER
10
52827
PCO
CLK
CLK
BLD
BACK LIGHT DRIVE,
PULSE WIDTH SELECT
11
17 PSMODE
BLD IN
9
S BLD
14
W BLD1
15
W BLD2
16
W BLD3
HD SELECT
PHASE COMPARE
323130
SB
DY
CLY
X-SIGNAL
DEMODULATE
DECODER
41
FRP
H-SYNC
PULSE DETECT
43
HSYNC
V-SYNC
PULSE DETECT
38
HD OUT
13
VDD2
48
VDD1
Y-SIGNAL
DEMODULATE
DECODER
46
MVSYNC
45
VSYNC
V-COUNTER
1/2
DIVIDING
H-COUNTER
42
SYMODE
3
OSCO
NTSC/PAL,
WIDE/4:3
SELECT
39
BLK
47
VDOUT
40
HVSW
1H/1V
SWITCH
2
OSCI
7
VMODE
8
WMODE
6
OFH
35
CLO
IC802
ET2070F0C
44
MHSYNC
26
DX
CLY
29