EasyManua.ls Logo

Panasonic NV-DA1 - Page 162

Panasonic NV-DA1
209 pages
Print Icon
To Next Page IconTo Next Page
To Next Page IconTo Next Page
To Previous Page IconTo Previous Page
To Previous Page IconTo Previous Page
Loading...
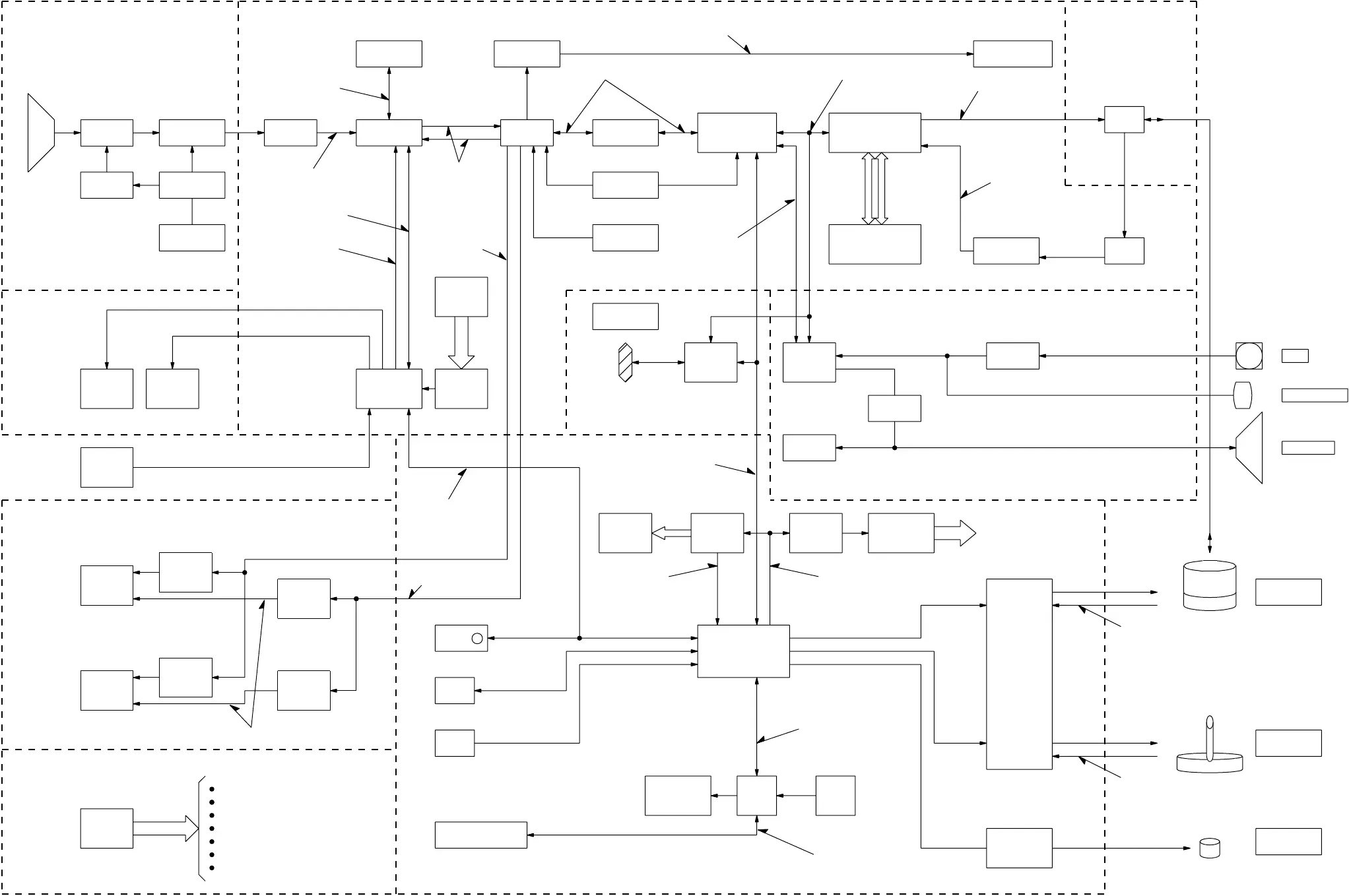
CCDLENS
CDS/AGC/
EVR
V-DRIVE
IC201 IC202
CG/SSG
OSC
31.5MHz
SENSOR STAGE
A/D
IC203
X201
10BIT
DSP
FLAME
MEMORY
Y DATA(8BIT)
C DATA(4BIT)
FOCUS
MOTOR
DRIVE
ZOOM
MOTOR
DRIVE
CAMERA
µCON
ADDRESS
(4BIT)
DATA IN/OUT
(8BIT)
EEPROM
TO
PC-EVR
ADJ.
DVIO
Y OUT(8BIT)
C OUT(8BIT)
VIDEO
DRIVER
SHUFFLING
MEMORY
COMPRESION
/AUDIO/
SHUFFLE
VCO
DV
TERMINAL
CAMERA & VIDEO
STAGE
DATA IN/OUT
(4BIT)
AUDIO
I/F
DIGITAL
I/F
OSC
27MHz
ERROR
CORRECTION/
DCI/ATF SERVO
ERROR
CORRECTION
CODE MEMORY
DATA
(16BIT)
ADDRESS
(9BIT)
IC3201
IC3202
DATA IN/OUT
(8BIT)
SPEAKER
AMP
MIC
AMP
A/D
(BITERBI)
EQ
HEAD
AMP
REC DATA
DATA OUT
(7BIT)
IC5001
HEAD AMP
STAGE
LENS DRIVE STAGE
IR
SENSOR
LCD
EVF&LCD MONITOR STAGE
LCD
DRIVER
IC901
EVF
IC802
EVF
DRIVER
VIDEO
SIGNAL
PROCESS
IC601
VIDEO
SIGNAL
PROCESS
IC602
Y IN
R-Y/B-Y IN
POWER STAGE
IC1001
POWER
SUPPLY
CAM -8/15V
M -15/3/5/13.5V
REG 2/3/5V
R/G/B IN
TO
PC-EVR
ADJ.
EEPROM
SYSTEM
CONTROL
CHARACTER
GENERATOR
PC
I/F
µCON
EE DI
EVR DAC
EE DO
ADJ.
DATA
OUT
CYLINDER
MOTOR
DRIVE
CAPSTAN
MOTOR
DRIVE
LOADING
MOTOR
DRIVE
OSC
X2003
(14.748MHz)
CYL.FG/PG
CAP.FG
D.D
CYLINDER
CAPSTAN
MOTOR
LOADING
MOTOR
SDI/SDO
IC702
CAP/CYL VM
V OUT
Y OUT
C OUT
IC4801
IC4201
AUDIO STAGE
IC701
IC3801
DIGITAL I/F STAGE
IC4501
ECM
EXT.INPUT
SPEAKER
IC3203
IC2201
IC2001
IC2005 IC2006
IC2003 IC2011
IC304 IC3006
IC301 IC302 IC3001
IC3005
X3001
IC3002
IC3003
S-VIDEO OUT
AV OUT
SDTI/SDTO
IC3204
AV OUT
VD/HD
IC303
IC308
ADDRESS/DATA
(16BIT)
CAM DI/DO
LCD 12V
DIF 3V
NOREG(BATTERY CATCHER)
EDIT
TIMER
RESET
DIGITAL
STILL PICTURE
IC2002
IC2010
UARTO/UARTI
SYSTEM CONTROL & SERVO STAGE
IC2207
EVF & LCD MONITOR
STAGE
H