EasyManua.ls Logo

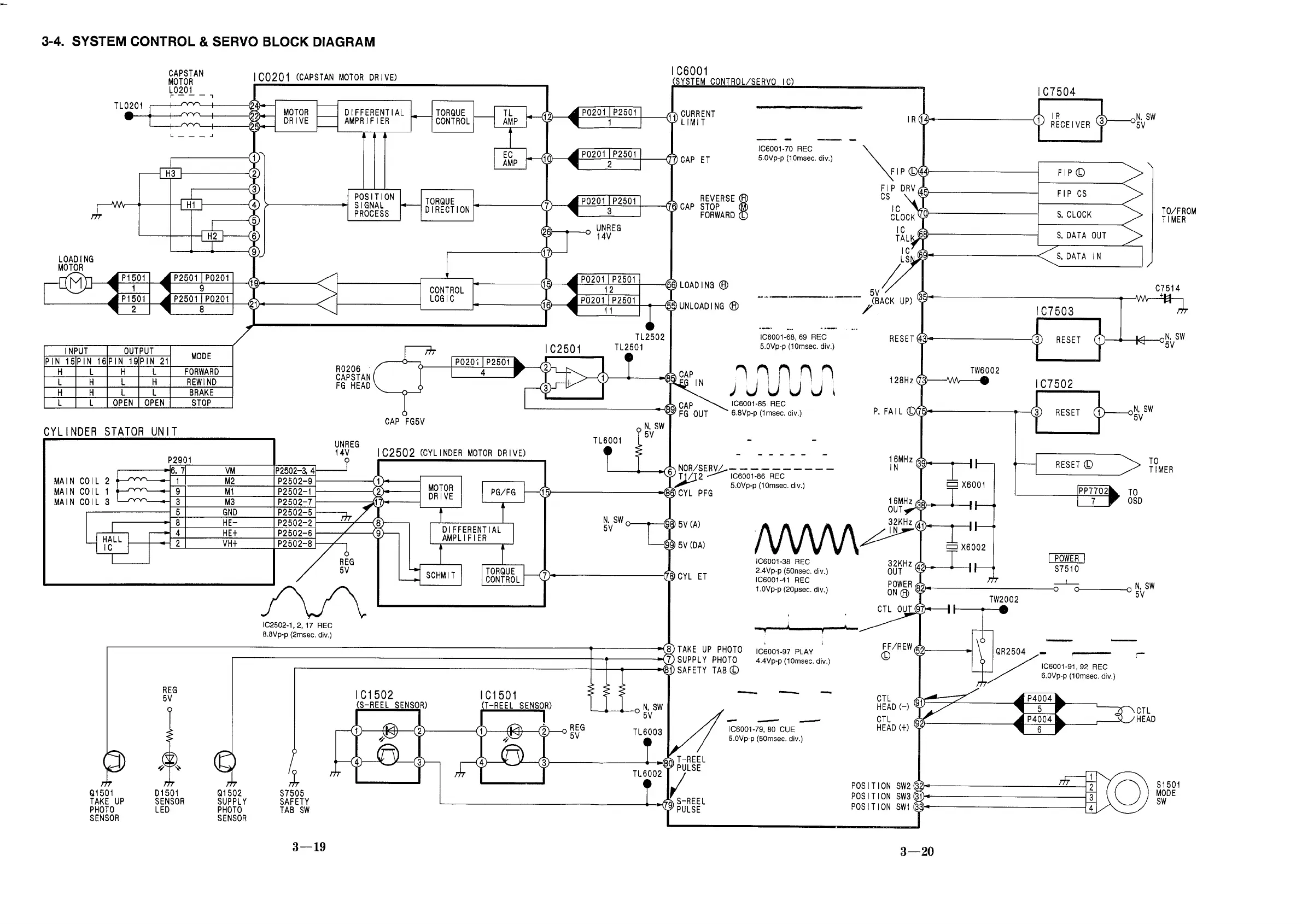
Panasonic NV-HD635 - System Control & Servo Block Diagram

Panasonic NV-HD635
101 pages
Print Icon
To Next Page IconTo Next Page
To Next Page IconTo Next Page
To Previous Page IconTo Previous Page
To Previous Page IconTo Previous Page
Loading...

Table of Contents

Related product manuals