EasyManua.ls Logo

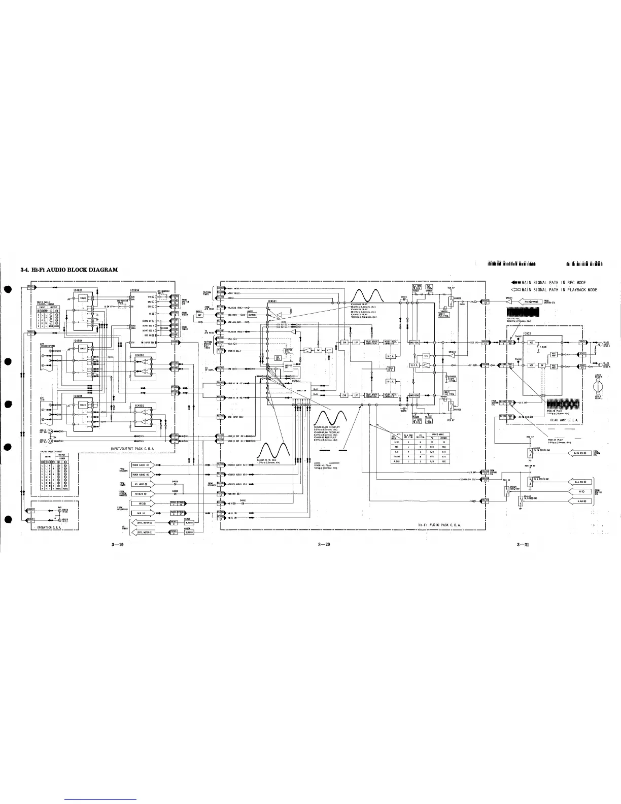
Panasonic NV-HD650 - Hi-Fi Audio Block Diagram

Panasonic NV-HD650
106 pages
Print Icon
To Next Page IconTo Next Page
To Next Page IconTo Next Page
To Previous Page IconTo Previous Page
To Previous Page IconTo Previous Page
Loading...

Table of Contents

Related product manuals