EasyManua.ls Logo

Panasonic NV-RX24 - Page 11

Panasonic NV-RX24
41 pages
Print Icon
To Next Page IconTo Next Page
To Next Page IconTo Next Page
To Previous Page IconTo Previous Page
To Previous Page IconTo Previous Page
Loading...
H
H
H
H
L
L
H
H
H
H
H
L
M
H
L
N
N
N
N
S
S
S
S
M3
M1
M2
M3
M1
M2
L
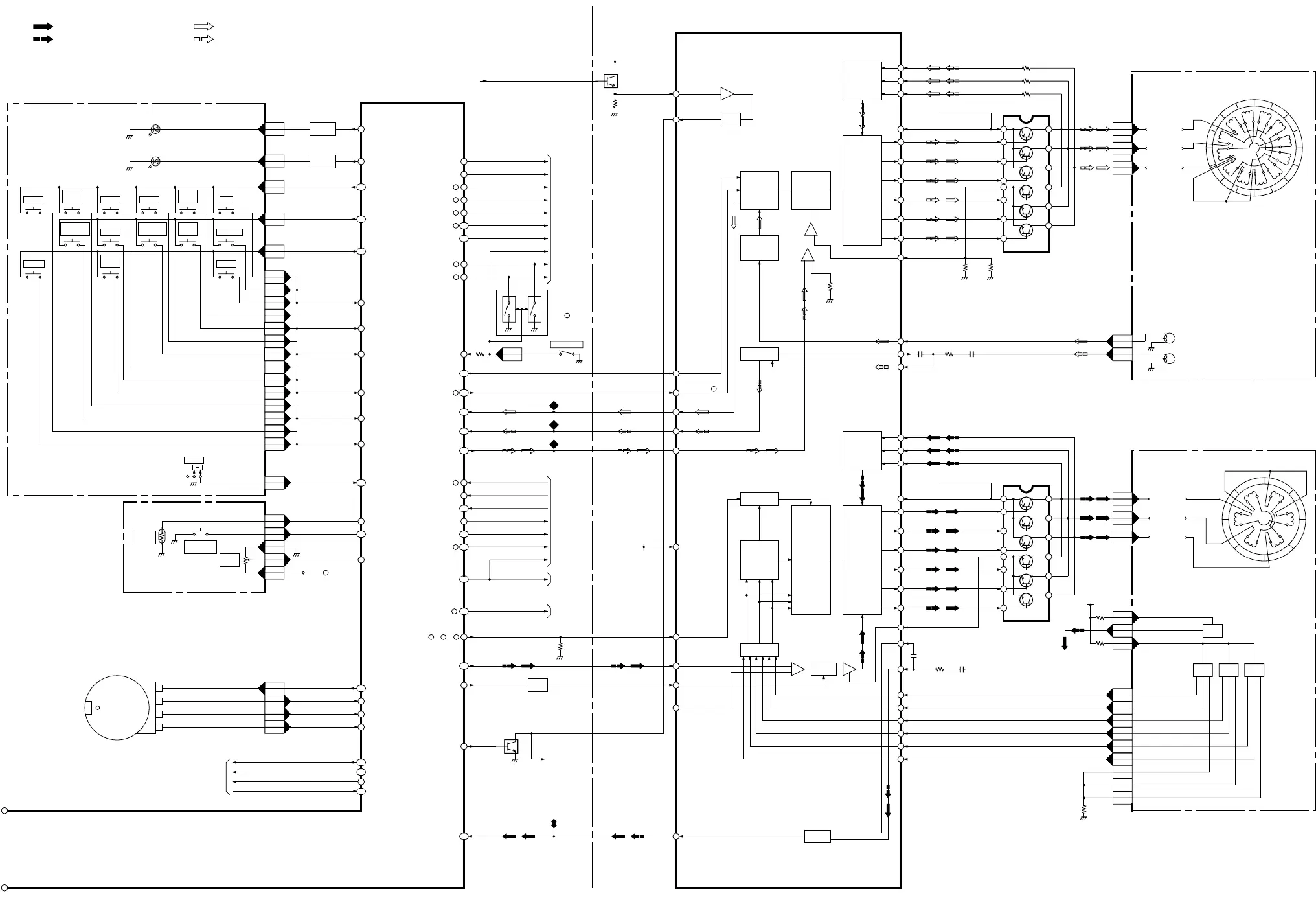
QR6050
(CYLINDER MOTOR & CAPSTAN MOTOR DRIVE)
SECTION
SYSTEM CTL
TRI WAVE
SECTION
POWER
FROM
SECTION
CAMERA
TO
SECTION
LUMI.CHRO.
FROM/TO
START/STOP
RECORDING
LEVEL
ZOOM
DRIVE
CAM LED
QR6004
QR6004
DRIVE
VCR LED
SEARCH(+)
FF/
FP6006
:CYLINDER SERVO PHASE LOOP
:CYLINDER SERVO SPEED LOOP
B
A
62
Q6002
SECTION
POWER
TO
SECTION
LUMI.CHRO.
FROM/TO
C P ON
P ON
105
143
LP
HASW
TALLY
REMOTE CTL
FACT MODE
LINE
120
128
69
147
19
66
VORP
AUDIO FADE
AUDIO MUTE
EE
PB
MFVR1
MFVR2
SAFETY SW
SECTION
LUMI.CHRO.
TO
133
137
71
74
75
92
91
R ERASE ON
DELAY REC
83
85
(S TAB : ON)
16
FP6001
SAFETY TAB
21
EJECT
S/S ZOOM SW U.
SENSOR
DEW
VREF
ZOOM A/D
93
S/S
157
8
7
6
3
FP6004
FP6004
FP6004
FP6004
5
FP6004
DEW
99
24
FP6006
EJECT
114
KEY IN5
KEY IN4
KEY IN3
KEY IN2
KEY IN1
KEY IN0
7
6
4
3
2
1
15
FP6006
FP6006
20
18
FP6006
FP6006
10
13
FP6006
FP6006
19
6
FP6006
FP6006
12
3
FP6006
FP6006
11
17
FP6006
MEMORY
ON/OFF
ITEM
PAUSE/
TITLE
DATA/
COLOUR
STORE SHIFT
SEARCH(-)
REW/
FP6006
9
16
FP6006
FP6006
7
MENU
PLAY/
CAMERA
VCR/
5
FP6006
SCAN 3
126
RESET
STOP/SET
123
SCAN 1
4
SET
2
FP6006
SCAN 0
122
:CAPSTAN SERVO SPEED LOOP
:CAPSTAN SERVO PHASE LOOP
CAP VM
CYL VM
GAIN CONTROL
AUTO TRACKING
138
CL6208
CL6206
CL6210
CL6207
40
46
SECTION
SUB SERVO
VTR OP.U.
88
ENVE.DET.
V.HEAD CTL
H.SW
100
48
129
CAMERA LED
VCR LEDVCR LED
CAMERA LED
8
FP6006
14
FP6006
MODE SW
POS-3
POS-2
POS-1
POS-COM
2
1
C
3
6
7
8
9
FP6001
FP6001
FP6001
FP6001
9
12
144
68
67
COMP.
FG AMP
FG
57
+
-
+
-
LIMITER
TORQUE LIMIT
CAPSTAN TORQUE
CAPSTAN R/S/F
VCC
53
COMPARATOR
PG AMP
CYLINDER EC
PG
FG
CYLINDER ON
DRIVE CLOCK
5
56
55
51
54
-
+
TRIWAVE
CAP SW
AMP
49
52
IC2201
45
47
39
MATRIX
LOGIC
DIRECTION
DETECTOR
DIRECTION
SWITCHING
DIRECTION
CONTROL
TRANSISTOR
DRIVE
DETECTOR
SATURATION
TRANSISTOR
COMPARATOR
FG AMP
61
64
ADDITION
SLOPE
LOGIC
SWITCHING
ACTIVE COIL
CONTROL
TRANSISTOR
DRIVE
DETECTOR
SATURATION
TRANSISTOR
SECTION
POWER
FROM
29
30
31
Y VM
12
32
C VM
SECTION
POWER
FROM
33
34
35
36
37
38
2
CAPSTAN TORQUE
139
SECTION
POWER
TO
QR6014
BUFFER
1
14
4
9
CAP SW
81
CAPSTAN FG
152
11
TORQUE LIMIT
FG
6
FP2002
17
FP2002
18
FP2002
IC2203
(CYLINDER DRIVER)
12
10
8
1
3
57
14
19
18
17
22
21
20
11
13
11
9
2
4
6
MAIN COIL 3
MAIN COIL 2
MAIN COIL 1
FP2002
8
FP2002
DRIVE CLOCK
CYLINDER
CYLINDER ON
CYLINDER FG
167
168
154
QR2002
14
15
16
M2
M1
M3
M2
M1
M3
M2
M1
M3
M2
M1
M3
N
N
N
N
N
N
N
N
S
S
S
S
S
S
S
S
CAPSTAN R /S /F
IC2
HALL
IC1
HALL
IC3
HALL
10
5
3
15
13
FP2002
FP2002
FP2002
FP2002
FP2002
FP2002
FP2002
DD CAPSTAN MOTOR
1,2
7
11,12
FP2002
FP2002
FP2002
DD CYLINDER MOTOR
PG
FG
1
6
FP2001
FP2001
MAIN COIL 3
MAIN COIL 2
MAIN COIL 1
3
5
4
FP2001
FP2001
FP2001
IC2202
(CAPSTAN DRIVER)
12
10
8
1
3
57
14
23
24
25
28
27
26
13
11
9
2
4
6
CYLINDER TORQUE
CYLINDER PG
10
140
158

Related product manuals