EasyManua.ls Logo

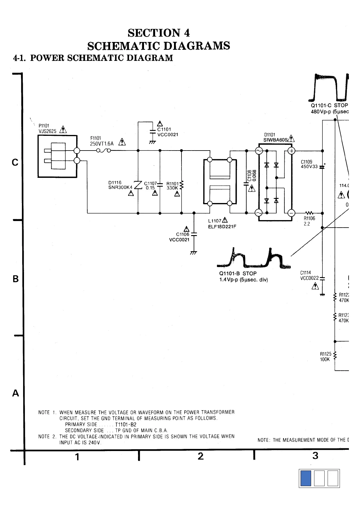
Panasonic NV-SD20EE - Schematic Diagrams; Power Schematic Diagram

Panasonic NV-SD20EE
75 pages
Print Icon
To Next Page IconTo Next Page
To Next Page IconTo Next Page
To Previous Page IconTo Previous Page
To Previous Page IconTo Previous Page
Loading...

Table of Contents

Related product manuals