EasyManua.ls Logo

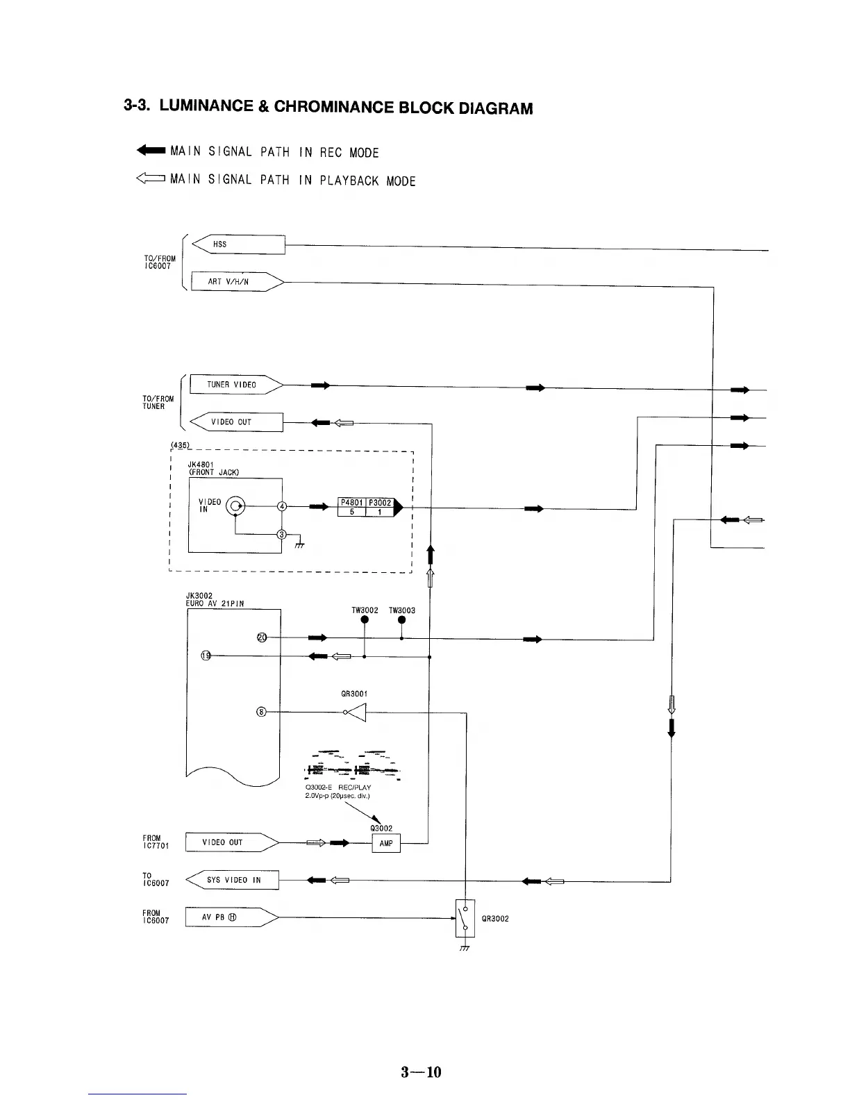
Panasonic NV-SD435EE - Luminance & Chrominance Block Diagram

Panasonic NV-SD435EE
23 pages
Print Icon
To Next Page IconTo Next Page
To Next Page IconTo Next Page
To Previous Page IconTo Previous Page
To Previous Page IconTo Previous Page
Loading...

Related product manuals