EasyManua.ls Logo

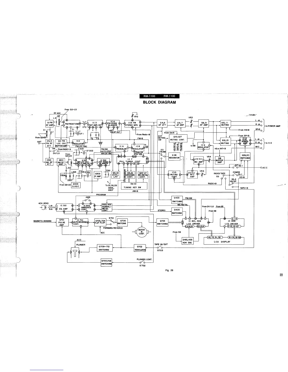
Panasonic RM-1100 - RM-1100 System Block Diagram; Overall Functional Block Overview

Panasonic RM-1100
38 pages
Print Icon
To Next Page IconTo Next Page
To Next Page IconTo Next Page
To Previous Page IconTo Previous Page
To Previous Page IconTo Previous Page
Loading...
~
~ -
------~~~~
~
ACC
}ro
H.S
}.o
POWER
AMP
SWITCHING
Fig. 28
S702
BLOCK DIAGRAM
From
021-23
RM-1100
RM-~100
RF
AGC
/ c-J- _
~-,--....,L4{]D2
(
J,'t
V~2
VR.3
.
-,,--::---
_
~-4>
-
~r
~~
IC4
I--
~-
L
ch_
QIFM FMFRONTENdli>-8-<:D_
IC3
8 DFMNOISE
IC5FM
04,5
Q6,7
~
Q8,9
010,11
'-'
RF
AMP-
r-(~
-"1\. f
r.-..
CJ2
~1':At!',
DE
l!LAN~ERr.-..
STERE~
MPX
AF ATT
AF
AMP
I--
f _ AF
AMP
MUTING
R
ch-o
Din
_
TI
T
..:r
Tr
~
T
'r
I t From H5+B SPt-B_
~
.:r 3
L1
G-7~F
I
CTI
AMAFOUT
--I
From
Dect
1 I
-u
" T
-From
Rodlo+B
From
Q2(-23-L
-<
EXT 014
...
Q17
t From
5P+B
I
1'2
T3
FM+B
MUTING
-
..l
ICI2
A~T
04,5
02
FM
1
IC2
l'
~'Z7
1
SW
MUTING
CONT.
1
~
-
al2,13
"
~
L
o'
{)
'-'
FM
RF
LOC
osc
"fREGULA~
~'f
OJ
~
I MUTING 9 AMP R
ch
ATT
BUFFERAMFi
FMLOC
OS~
IC
6 L
"-'
IC8
t~B
d:.
~
i
to5B
IC9
I
,""
5_5./ FromRADIO+B
]]T303
FM/AM
j!lPRESCALARr~EGULATO~~
53
~ ~
~
REGU~TOR
H50r
l
INT+B I I MIC
...,
-----eT 0
~rCF302
AUT05TOP
FM/PM
:I:
F
u::
'¥'
DVI
LO
reo
-
E:::I
AM
L..OC
osc:
I
.From
CB
r----4-++---+--+""'-:'
r---------+-~f____-----J
~~~~3
T I .
~A
,,"~VVDD!
6 -
028
l
Q29,30
r-------,
Q
_'I&'
<:!!l:!!o'
~
ffl
~
REGURATOR
f--
~f-
VR4
0301
Q301
-
~~
.~
I C 7
()
-
~1/21CII
f
018
SWITCHING
IC
301
,;If"
IC
302 S
"?J
I
~
- -
BUFFER
....,..
...
--.---.--'
-
AM
RF
f---
AM
RF
I-
AM
LOC
05C
'd'- I
AM
NOISEC~
PULL
TUNIN~
J::J
MIC
AMP
AMP
f
ATT
AMP 4
I?<.IFAMP.DET~,
BLANKER
~
r--
9 9 t T
1NT52_1
L301 I t
-0
L~r---+-+---+---()~
~
I
L303
T302
CF30I
-
!.,301
~
~
VR
5
~
.11
-J
~r
0302
-
~
02~22
o::~
019,2:>
024""27 ICIO V21CII 6 r RADIo/TAPE
POWER
D306T I r
TE:::I
~
23
PLL
U9'DOWN
MEIMETAL
MUTING
MI C .
--
':..'
-0
~
51-1
.I
_ T IF
AMP
-
>-
LPF
CONT.
CONT.
C9lIT. AMP
53
r H5+B
0307
t
l~
fl
f Y ( )
52-2
u I
H~SP
From 021-23
0303
T
01
2 0 S6",10
RADIO+B
(L
->-Q---l------l
DAGC
0
,0,3
y-
.
0306,
TUNING
KEY
SW
~
TAPE+B
0307
AM+B
PROGRAM
~r6
0403
FM/AM
~~
l""~
~~
Cl
Lch IC
501
t1
IC
502"'" 0501,502 ME/METAL
_
~
I,
AMBIENCE
NORMALI
FromDX/LO
From66
Rch
8
EO.
AMP
CONT;:
METAL
r--
Y
-Y
,
;,,;.
."
CONT
STEREO
0405
T
't'
~=..!..:....'
---J
SWITCHING
- From
56
0701 I
S!OI
I
r<H
-<D-
~
MAGNETO-SENSING.
PULSE
~~Aur6C~
0703,704
r-"o-L
Q706
0705
,(5;)
IC
401,
402
....
~_
IC
403
AMP
CONT.
FLIP
FLOP
~
SWITCING
SWITCHING
LCD DRIVER
'I.:;r-
LCD DRIVER
t
FORWARDI
REVERCE
6
8.12
10,11,3,4)-
'"\
iJ'
"\5
....
13,
15-27
}--
I.
MOTOR
Il':=
1==:::;,
L...-
~------A-C-C----~
CO~T.
From
5B
U
L
--{1--6,15,31,32
a""'14,16-3d--
ACC
0401,402
1
404
OSC
-
LCD
DISPLAY
PLUNGER
TAPE
IN/OUT
Q709-712
0702
lJ
I
SWITCliING
REGUIJrnlIl
;70';
[
la107'708I.
PW~
CONT.
""
~
;
.~-y>
'\
,

Related product manuals