EasyManua.ls Logo

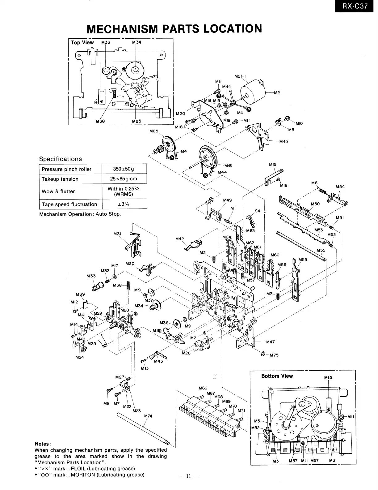
Panasonic RX-C37 - Mechanism Parts Location; Mechanism Component Diagrams; Mechanism Specifications

Panasonic RX-C37
11 pages
Print Icon
To Next Page IconTo Next Page
To Next Page IconTo Next Page
To Previous Page IconTo Previous Page
To Previous Page IconTo Previous Page
Loading...

Related product manuals