EasyManua.ls Logo

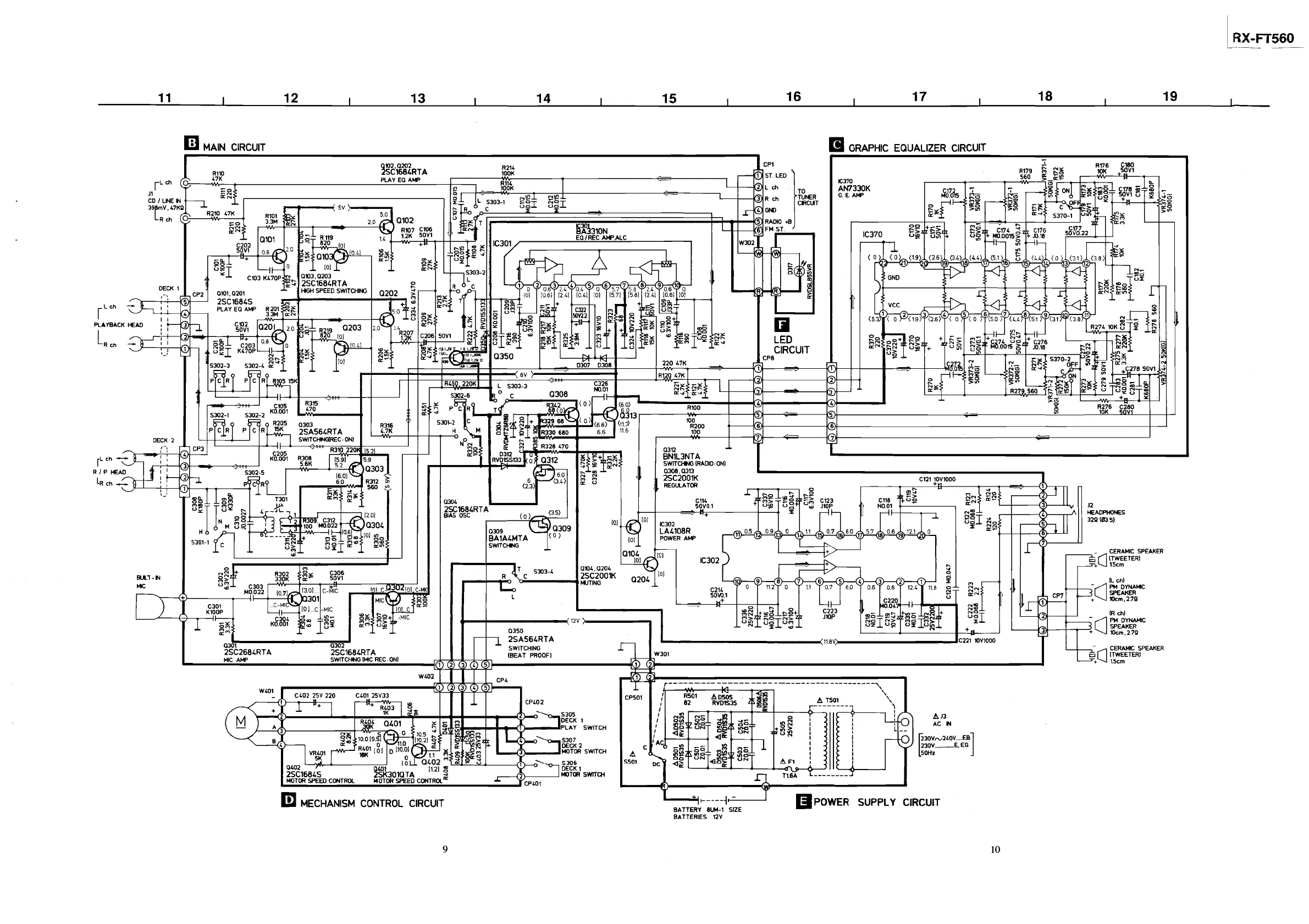
Panasonic RX-FT560 - Main Circuit Schematic; Graphic Equalizer Circuit Schematic; LED Circuit Schematic; Power Supply Circuit Schematic

Panasonic RX-FT560
18 pages
Print Icon
To Next Page IconTo Next Page
To Next Page IconTo Next Page
To Previous Page IconTo Previous Page
To Previous Page IconTo Previous Page
Loading...

Other manuals for Panasonic RX-FT560

Related product manuals