EasyManua.ls Logo

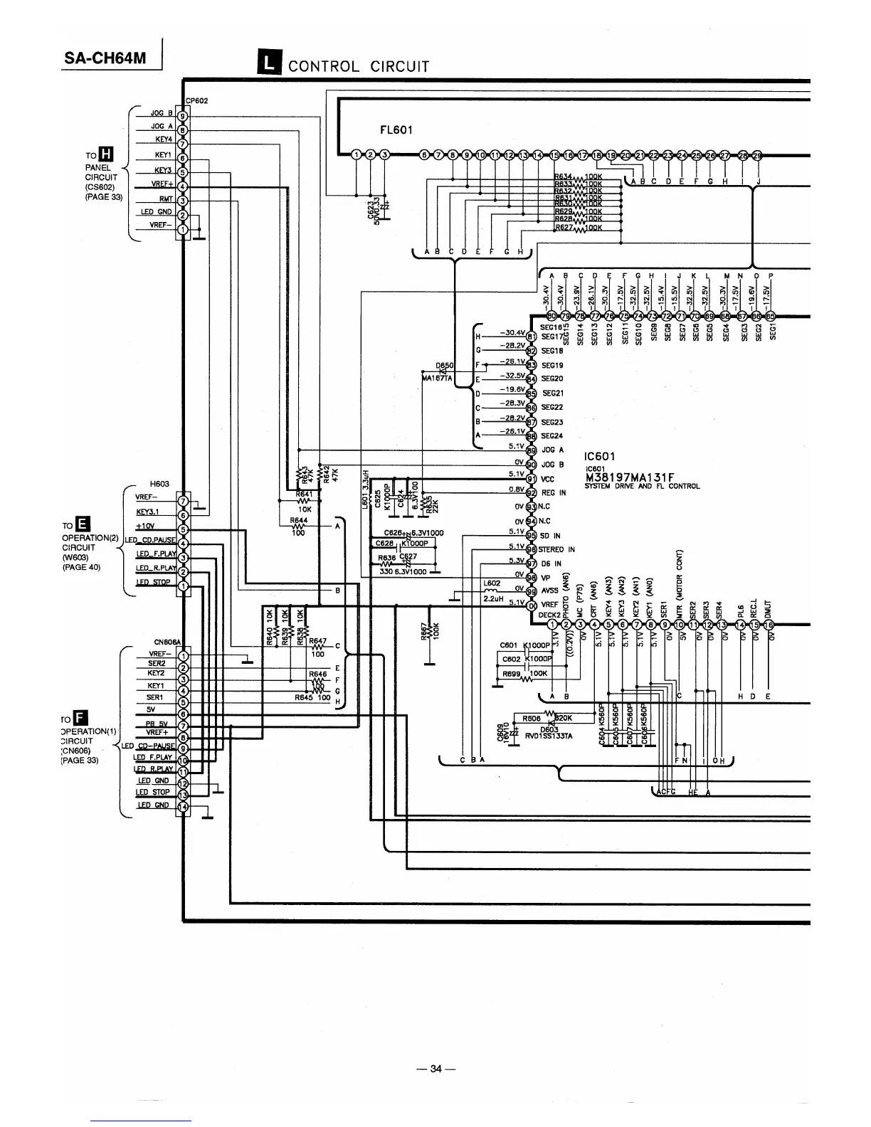
Panasonic SA-CH64M - Control Circuitry Details; System Control and FL Display Circuit

Panasonic SA-CH64M
29 pages
Print Icon
To Next Page IconTo Next Page
To Next Page IconTo Next Page
To Previous Page IconTo Previous Page
To Previous Page IconTo Previous Page
Loading...

Related product manuals