EasyManua.ls Logo

Panasonic SB-WA720PP

Panasonic SB-WA720PP
34 pages
To Next Page IconTo Next Page
To Next Page IconTo Next Page
To Previous Page IconTo Previous Page
To Previous Page IconTo Previous Page
Loading...
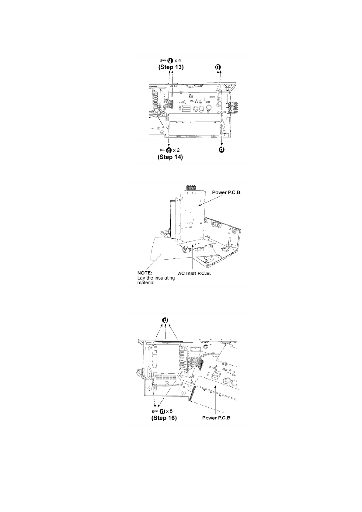
Steps 13 & 14: Remove the screws.
Step 15: Place the Power P.C.B. and the AC Inlet P.C.B. as shown for checking.
- Checking for the Transformer P.C.B.
Step 16: Remove the screws.
11

Related product manuals