EasyManua.ls Logo

Panasonic SB-WA720PP

Panasonic SB-WA720PP
34 pages
To Next Page IconTo Next Page
To Next Page IconTo Next Page
To Previous Page IconTo Previous Page
To Previous Page IconTo Previous Page
Loading...
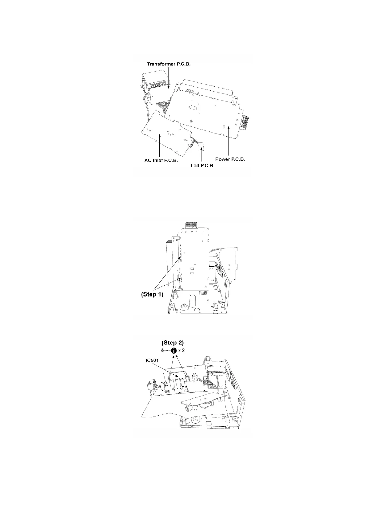
Step 17: Place the P.C.B. as shown for checking.
6.3. Main Component Replacement Procedures
6.3.1. Replacement of the Power IC and Transistor
Step 1: Desolder the Power IC and Transistor terminals.
Step 2: Remove the screws from the IC501.
12

Related product manuals