EasyManua.ls Logo

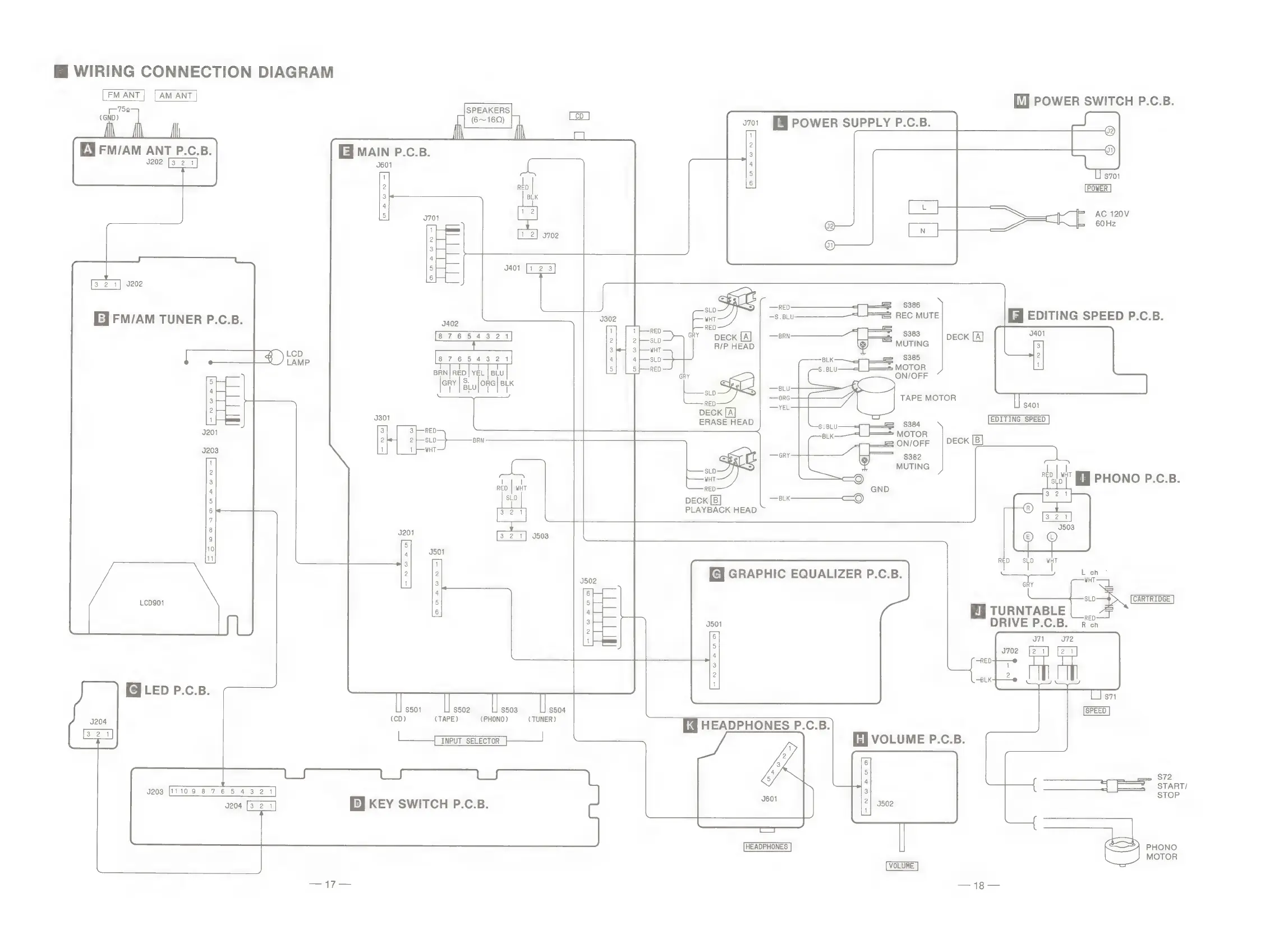
Panasonic SG-D16 - WIRING CONNECTION DIAGRAM; FM;AM ANT P.C.B.; FM;AM TUNER P.C.B.; LED P.C.B.

Panasonic SG-D16
22 pages
Print Icon
To Next Page IconTo Next Page
To Next Page IconTo Next Page
To Previous Page IconTo Previous Page
To Previous Page IconTo Previous Page
Loading...
Mi
WIRING
CONNECTION
DIAGRAM
FM
ANT
r75a
(GND)
Mh
fh
ff
ZY
FM/AM
ANT
P.c.B.
J202
AM
ANT
f
LCD
LAMP
2Se©
err]
®HM
se
wNy
LED
P.C.B.
32°41
11109
8765
4321
MAIN
P.c.B.
SPEAKERS
te
J601
1
2
nto
|
3
BLK
4
5
J702
i
SLD
WHT
RED
2|
|
2t-sio
>)
"Deck
[Al
4 |
em
R/P
HEAD
4
4
SLD
BRN|RED|
YEL
|
BLU
.
ee
Gry
|
S.
jor]
eux
er
aolrel
Fa
RED
al
DECK
301
ERASE
HEAD
3
3
F-RED
2
2
s.o—}
sr
1
1
WHT
SLD
WHT
rr!
|
|
RED
|
WHT
RED
SLD
DECK
[B]
PLAYBACK
HEAD
3201
3.2
1]
J503
5
4|
J501
3
1
2
2
1
3
4
5
6
|
$501
|
$502
|
$503
|
$504
(CD)
(TAPE)
(PHONO)
(TUNER)
4g
HEADPHONES
P.C.B.
INPUT
SELECTOR
GRAPHIC
EQUALIZER
P.C.B.
{]
POWER
SWITCH
P.C.B.
a
a
(1)
L701
POWER
SUPPLY
P.C.B.
AC
120V
60Hz
|
=
i)
eT
Ea
y
—S.BLU
REC
MUTE
—sRN
$383
EDITING
SPEED
P.C.B.
DECK
MUTING
3
BLK
$385
@
vot
EE
motor
1
TAPE
MOTOR
l
$401
EDITING
SPEED
DECK
$384
MOTOR
==
ON/OFF
$382
MUTING
|
ove
Mi
PHONO
P.c.B.
|
Loch
~
aby
AL
sto
BX
TURNTABLE
|
DRIVE
P.C.B.
Rich
GJ
VOLUME
P.c.B.
6
$72
5
Sf
EE
staat
STOP
Pp)
KEY
SWITCH
P.c.B.
21
3502
=
|
PHONO
MOTOR

Related product manuals