EasyManua.ls Logo

Panasonic TC-L65WT600

Panasonic TC-L65WT600
78 pages
To Next Page IconTo Next Page
To Next Page IconTo Next Page
To Previous Page IconTo Previous Page
To Previous Page IconTo Previous Page
Loading...
44
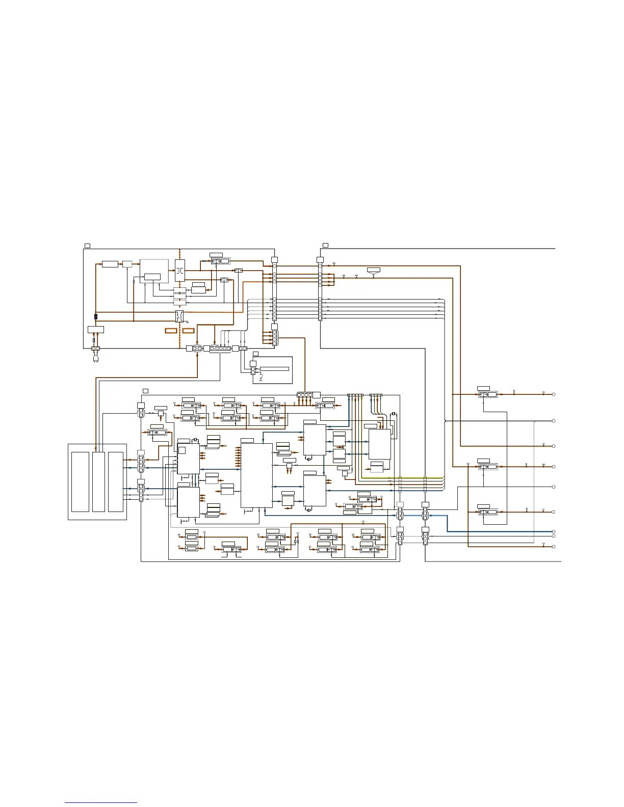
10.2. Block (1/2) Diagram
P15V
P15V
STB5V
DCDCIN
SUB3.3V
SUB5V
SW2857
P15V
5.8VS
TP2028
TP5420
TP5400
6
SUB5V
P
SYSTEM_BUS
PANEL_VCC_
ON_INPUT
CONTROL PANEL KEY
A16
SW2851-2855
7
POWER
IC5400
2
46
+5V
A
31
3
SUB3.3V
A02
AC CORD
+16V
DCDCEN
4
LVDS_DATA
+16V
KEY,Power SW
GK
A15
9
DCDCEN
SUB_ON
+16V
51
5VS 5VS
POWER SW
5
11
LVDS_DATA
MAIN
IC5420
18
3
+3.3V
2
GK4
SRV_15V
+16V
LED PANEL
T-CON
LED
Driver
PANEL
FR
GCX
FR01
34
34
FR02
1
11
6
8
USB5V
TP5440
USB5V
+5V
1
IC5440
8
SYSTEM_BUS
PANEL_VCC_
ON_INPUT
JK7101
8
3
12
2
11
9
10
13
P2
P6
1
7
6
5
4
6
NO
HOLDER
COLD
HOT
COLD
HOT
BL_SOS
BL_ON
POWER_ON
BL_PWM
KEY
SUB_ON
BL_SOS
BL_ON
POWER_ON
BL_PWM
KEY
SUB_ON
BL_SOS
BL_ON
POWER_ON
BL_PWM
KEY
BL_SOS
BL_PWM
BL_ON
POWER_ON
KEY
PA7406
F7101
RL7101
1
23
4
1
PHOTO
COUPLER
12
IC7201,
T7201, T7202,
Q7201,Q7203
LF7105
LF7106
LF7107
PHOTO
COUPLER
PC7302
D7102
AC
DETECT
Q7403,05
ERROR
DETECT
1
IC7401
CF7103
PC7301
5
PHOTO
COUPLER
+24V
IC7503
IC7301,
Q7301,
Q7302
STB5V
2
Q7402,04
T7301,
T7302
LLC
CONVERTER
P3
PC7303
LINE
FILTER
+5V
11
13
RECTIFIER
PFC
P5
3
2
P4
+24V
1 5
1
3
5
7
11
+16V
+16V
+16V
+16V
+16V
+16V
2
10
8
4
6
12
34
HDMI_CEC
ARC_OUT
DDC IIC0
DATA
TMDS DATA/
HDMI4
+5V
JK3502
CLOCK
HPD
Display Port
AUX +/-
JK3601
+DP3.3V
LVDS_DATA
LVDS_DATA
FR10
27
34
FR11
51
11
2
PNL12V
PWM
12
38
13
PNL_TEST_ON
PNL_3D_ON
FR20
123
4
F15VDCDCIN
4
FR30
8
IC9000
GCX
Master
GCX
Slave
IC9500
IC9600
IC9601
DDR3
IC9602
IC1600
SPI
FLASH
FPGA2.5V
IC1806
+2.5V
FPGA1.8V_2
IC1811
+1.8V
GCX3.3V
FR3.3V
IC1800
+3.3V
IC1801
+3.3V
FPGA1.0V
FPGA1.0V_2
IC1803
+3.3V
IC1810
+3.3V
FPGA
IC1500
HDMI2.0
Rx
HDMI2.0
Rx
IC1501
IC3603
DP-HDMI
IC3500
IC9110
SPI
FLASH
IC1600
SPI
FLASH
IC1808
+12V
PANEL_VCC_
ON_INPUT
F15V
GCX3.3V
LVDS_DATA
X9500
20MHz
GCX1.1V
GCX1.5V
GCX3.3V
GCX_2_1.1V
GCX_2_1.5V
GCX3.3V
GCX_2_1.5V
IC9501
DDR3
IC9502
GCX_2_1.5V
PWM
GCX3.3V
LVDS_TXLVDS_RX
SERIAL
IIC_0
IIC_0
IIC_0
HDMI1.4 HDMI1.4
IC1802
+1.1V
GCX_DCDCEN
HDMI1.1V
HDMI_CEC
TMDS DATA/
+5V
CLOCK
ARC_OUT
IC3606
HDMI1_5V
FR3.3V
FR40 A40
DDC IIC0
HDMI_CEC
TMDS DATA/
+5V
CLOCK
ARC_OUT
HDMI1.4
HDMI1.4
LEVEL
SHIFT
IC1601
HDMI1.4
LVDS RX
LVDS TX
IC1550
DDR3
IC1551
FPGA_1.5V
DP RECEIVER
HDMI1.4 HDMI Tx
LEVEL
SHIFT
IC3502
HDMI1.4
HDMI Tx
LEVEL
SHIFT
IC3503
FR3.3V
FR3.3V
HDMI I/F
HDMI Tx
HDMI Tx
FR3.3V
HDMI I/F
FR3.3V
CLK(20MHz)
CLK
CLK
CLK(20MHz)
FR3.3V
FPGA2.5V
FPGA1.5V
FPGA1.2V
FPGA1.0V
FPGA1.8V
FPGA1.0V_2
FPGA1.8V_2
FR3.3V
HDMI1.1V
FR3.3V
HDMI1.1V
X3600
27MHz
X1500
27MHz
FR3.3V
DP1.2V
X3500
27MHz
IC3605
GCX1.1V
GCX1.5V
IC9503
+1.5V
IC9504
+1.1V
FPGA1.5V
FPGA1.8V
IC1807
+1.8V
IC1805
+1.5V
HDMI1.1V
FPGA1.0V_2
IC1802
+1.0V
IC1810
+1.1V
DP1.2V
FPGA1.2V
IC1809
+1.2V
IC1804
+1.2V
F15V
FR3.3V
FR3.3V
FPGA1.2V
+1.2V
IC1812
DP_VCC_ONDP_OCP
GCX1_1.1V
GCX1_1.5V
IC9503
+1.5V
IC9504
+1.1V
DCDCIN

Related product manuals