EasyManua.ls Logo

Panasonic TH-P50S10D - P-Board (2;2) Schematic Diagram

Panasonic TH-P50S10D
128 pages
Print Icon
To Next Page IconTo Next Page
To Next Page IconTo Next Page
To Previous Page IconTo Previous Page
To Previous Page IconTo Previous Page
Loading...
45
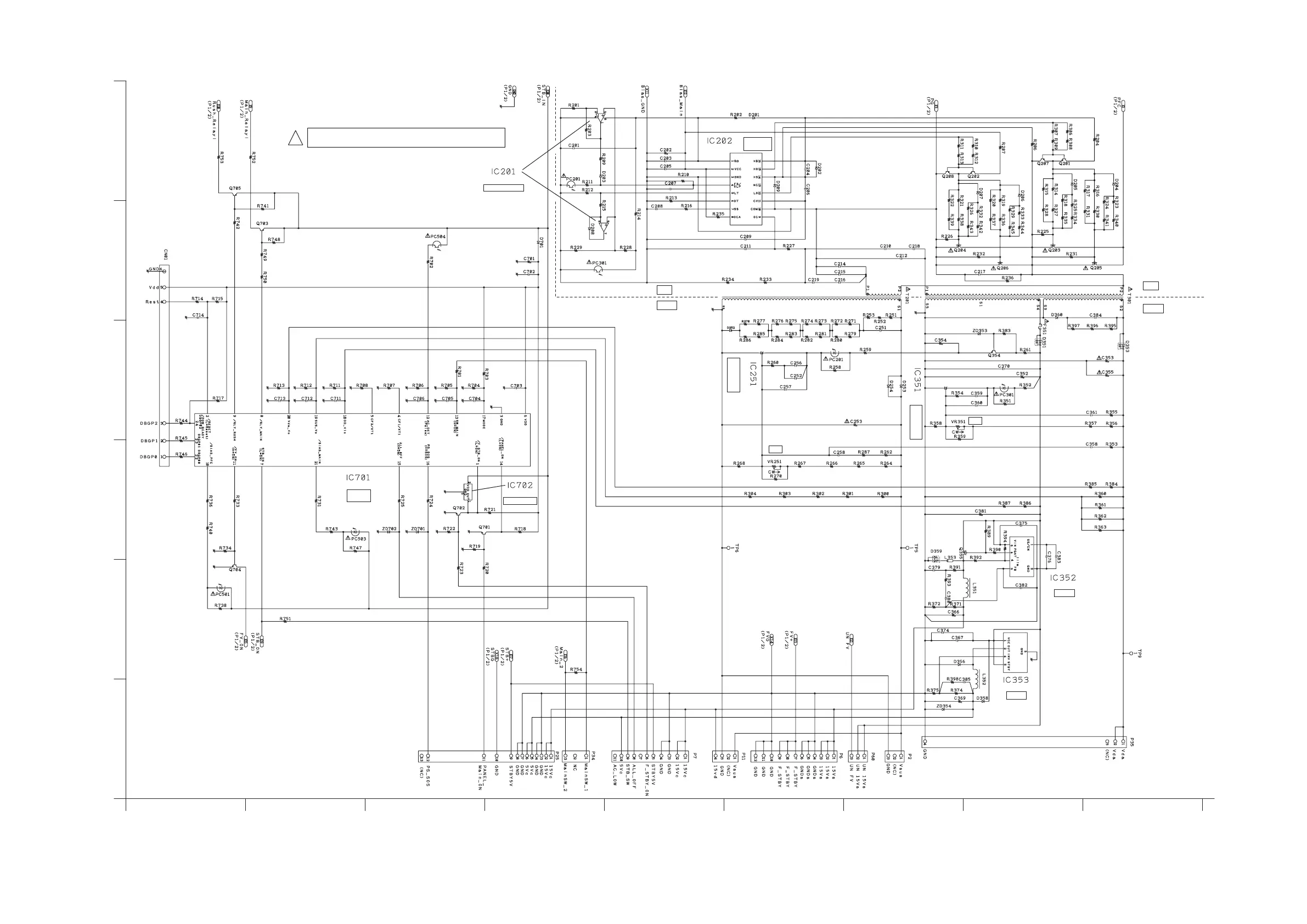
11.3. P-Board (2/2) Schematic Diagram
E
B
4
D
731
C
5
F
2 896
A
+5(P)
POWER
CONTROL
Vsus
ERROR DET
Vda
ERROR DET
COMPARATOR
VISSC9101M
VINJM2904ME1
VIKIA431A
VIKIA431A
VIBD9703FP
+15(P)
VISC2628T
POWER
MICOM
VILC87F2G081
TO
A-BOARD
(A7)
TO
A-BOARD
(A7)
TO
S-BOARD
(S1)
TO
A-BOARD
(A25)
TO
C3-BOARD
(C35)
TO
SC-BOARD
(SC2)
TO
SS-BOARD
(SS11)
COLD
HOT
COLD
HOT
Vda
Vsus
!
P-BOARD ETX2MM747MFG (2/2)
VIR3111N40AT
REGULATOR

Table of Contents

Related product manuals