EasyManua.ls Logo

Panasonic TX-26LE8F - A-Board (1 of 5) Schematic Diagram

Panasonic TX-26LE8F
39 pages
Print Icon
To Next Page IconTo Next Page
To Next Page IconTo Next Page
To Previous Page IconTo Previous Page
To Previous Page IconTo Previous Page
Loading...
+
+
+
+
+
+
+
+
NP
NP
AUDIO OUT
AUDIO IN
L
R
PR
L
R
Y
PB
Vid_Out
R_IN
L_IN
AV1_CVBS_IN
AV1_CVBS_OUT
AV1_FBL
AV1_RED_IN
AV1_GREEN_IN
AV1_QLINK
AV1_SLOW
AV1_BLUE_IN
AV1_L_IN
AV1_R_IN
AV2_CVBS_IN
AV2_CVBS_OUT
AV2_FBL
AV2_RED/C_IN
AV2_GREEN_IN
AV2_QLINK
AV2_SLOW
AV2_BLUE_IN
AV2_L_IN
AV2_R_IN
AV2_L_OUT
AV_LINK_OUT
AV1-2_GREEN_IN
AV1-2_RED/C_IN
AV1_R_OUT
AV2_R_OUT
AV1_IS_QLINK
AV2_QLINK
AV1_QLINK
POWERPOWER
STBY3.3V
STBY5V
STBY3.3V
AV1_L_OUT
SDA3V3
SCL3V3
BUSREQ
BUS_REQUEST
STBY3.3V
BTL
SIF
SDA_TUNER
SCL_TUNER
30V
AV1_BLUE_IN
AV1_RED_IN
AV1_GREEN_IN
5V_SIG
AV1_CVBS_OUT_VCTP
5V_SIG
AV2_CVBS_OUT_VCTP
SCL_TUNER
SDA_TUNER
STBY3.3V
5V_SIG
Y_IN
PB_IN
PR_IN
YUV/DVI_P0_R_IN
YUV/DVI_P0_L_IN
MONITOR_R
MONITOR_L
G_LED_ON
AV3_R_IN
AV3_L_IN
AV3_Y_IN
AV3_C_IN
HP_L_OUT
HP_R_OUT
AV3_CVBS_IN
R_LED_ON
AV2_CVBS_OUT
AV1_CVBS_OUT
HP_SENSE
STBY3.3V
AI_SENSOR
REMOTE
GND
5V_SIG
AV1-2_BLUE_IN
AV2_BLUE_IN
AV2_GREEN_IN
AV2_RED/C_IN
PC_BLUE_IN
AV1_BLUE_IN
PC_GREEN_IN
AV1_GREEN_IN
AV1_RED_IN
PC_RED_IN
C3202
0.1u
25V
C3004
50V
330p
C3055
50V
330p
C3003
50V
1000p
C3052
50V
330p
C3201
0.1u
25V
C3054
50V
1000p
C1223
1u
10V
C1224
220p
50V
C3005
50V
330p
C3002
50V
1000p
C1225
50V
220p
C3053
50V
1000p
C120
0.01u
50V
C131
25V
0.1u
C104
0.01u
50V
C110
0.01u
50V
C103
0.01u
50V
C1710
0.1u
25V
C2324
50V
1000p
C2323
50V
1000p
C3022
50V
330p
C3021
50V
330p
C1713
1000p
50V
C1712
1000p
50V
C1711
1000p
50V
C121
50V
0.33u
C3056
16V
22u
C3057
16V
22u
C3058
16V
22u
C3059
16V
22u
C100
1000u
10V
C2327
16V
22u
C2326
16V
22u
C3205
47u
6.3V
C3204
47u
6.3V
D1101
MA24D5000B
D1102
MA24D5000B
IC1220
C0JBAS000215
1
1A
2
1B
3
2C
4
GND
5
2A
6
2B
7
1C
8
Vcc
JK3100
K2HA7YYA0001
RCA-706-00-01
Y
PB
G
L
R
G
R
G
L
PR
A8
K1KA06AA0192
1
2
3
4
5
6
A11
K1KA08AA0714
1
2
3
4
5
6
7
8
A7
K1KA15AA0194
1
2
3
4
5
6
7
8
9
10
11
12
13
14
15
JK3050
K1FY121A0004
1
2
3
4
5
6
7
8
9
10
11
12
13
14
15
16
17
18
19
20
21
JK3000
K1FY121A0004
1
2
3
4
5
6
7
8
9
10
11
12
13
14
15
16
17
18
19
20
21
L1721
J0JHC0000078
L1724
J0JHC0000078
L1723
J0JHC0000078
L1725
J0JHC0000078
L1722
J0JHC0000078
L102
ELJFC2R2KFB
L1101
ELJFC2R2KFB
L101
ELJFC2R2KFB
L1100
ELJFC2R2KFB
L103
G0C100K00008
GND
GND
GND
GND
GND
GND
GND
GND
GND
GND
GND
GND
GND
GND
GND
GND
GND
GND
GND
GND
GND
GND
GND
GND
GND
GND
GND
GND
GND
GND
GND
GND
GND
GND
GND
GND
GND
GND
GND
GND
GND
GND
GND
GND
GND
GND
GND
GND
GND
GND
GND
GND
GND
GND
GND
GND
GND
GND
GND
GND
GND
GND
GND
TPB01
Q1100
B1CFGG000007
G
D
S
Q1101
B1CFGG000007
G
D
S
Q123
B1ABCE000009
Q1229
B1ABCE000009
Q1222
B1ABCE000009
Q3204
B1ABCE000009
Q1230
B1ABCE000009
Q1221
B1ABCE000009
Q1231
B1ABCE000009
Q1232
B1ABCE000009
Q3205
B1ABCE000009
Q3201
B1ADCE000023
Q3202
B1ADCE000023
R1103
4.7k
R3050
75
R3058
100k
R1234
4.7k
R1142
4.7k
R3210
1.5k
R3411
75
R1107
8.2k
R3406
75
R1216
470k
R3070
100
R3069
100
R1257
22k
R3053
56k
R1252
68k
R135
0
R127
0
R1233
47k
R3022
100
R3076
0
R3077
0
R3078
0
R3209
220
R3217
6.8k
R1104
100
R1250
33k
R3216
12k
R1145
100
R3208
1.5k
R1106
8.2k
R3010
100k
R3215
6.8k
R3205
220
R3407
75
R1249
2.2M
R1297
330k
R1102
100
R1239
100k
R1123
100k
R1143
100
R132
100
R1251
100k
R124
22k
R133
1k
R1235
27k
R1124
100k
R1105
4.7k
R3211
220
R3060
100k
R1238
220k
R3410
75
R3507
100
R3001
75
R3009
100k
R3007
56k
R1144
100
R1715
100k
R3059
100
R3055
56k
R136
0
R3408
75
R3011
100
R3057
100
R128
0
R3012
100
R3000
100
R3008
56k
R3021
56k
R3409
75
R3214
12k
R1256
100k
R2323
100k
R3023
56k
R3024
100
R3075
0
R2324
100k
R3204
220
TU001
ENG37E08GF
NC
5
NC
6
NC
7
NC
8
+B
9
AUDIO_OUT
10
SIF_OUT
11
NC
12
SCL
13
SDA
14
RF_AGC_Monitor
15
VB
16
NC
17
BTL
18
NC
19
AFT_OUT
20
VIDEO_OUT
21
*R3405
0
*R3400
0
*R3403
0
*R3063
0
*R3061
0
*R3062
0
RGB_SWITCH
VIDEO_SW
QLINK
LEVEL_SHIFTER
SERVICE_TUNER
SERVICE_TUNER
TO V1
AUDIO
OUT
YPBPR
IN
AUDIO
AV1
AV2
AV3
SERVICE
YUV
TUNER
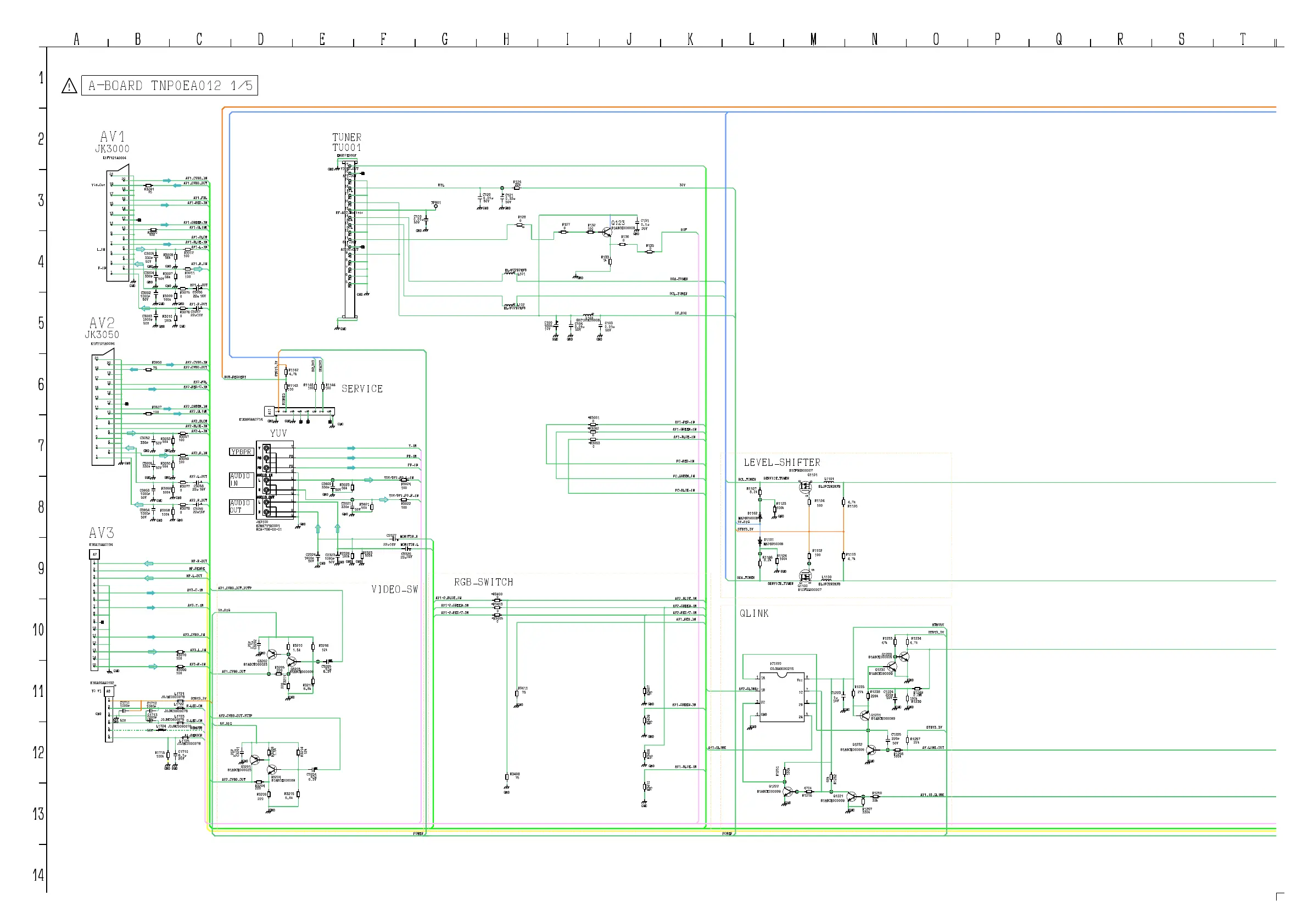
A-BOARD TNP0EA012 1/5
I
<
<
<
<
<
<
A B C D E F G H I J K L M N O P Q R S T
1
2
3
4
5
6
7
8
9
10
11
12
13
14
29

Related product manuals