EasyManua.ls Logo

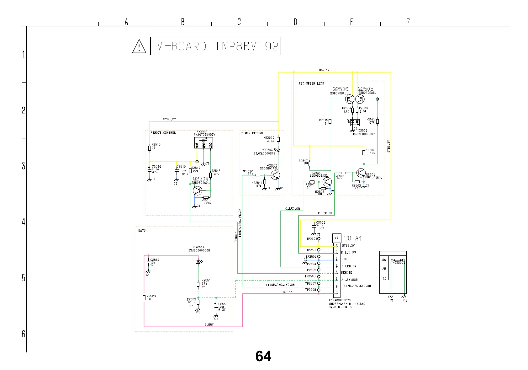
Panasonic TX-37LXD85F - V-Board Schematic Diagram

Panasonic TX-37LXD85F
70 pages
Print Icon
To Next Page IconTo Next Page
To Next Page IconTo Next Page
To Previous Page IconTo Previous Page
To Previous Page IconTo Previous Page
Loading...
+
+
G
R
VCC
GND
OUT
R_LED_ON
R_LED_ON
G_LED_ON
G_LED_ON
REMOTE
REMOTE
AI_SENSOR
TIMER_REC_LED_ON
TIMER_REC_LED_ON
TIMER_REC_LED_ON
SUB5V
SUB5V
GND
STB3.3V
STB3.3V
STB3.3V
STB3.3V
C2515
0.01u
50V
C2551
1u
16V
C2511
0.1u
50V
C2552
6.3V
22u
C2514
6.3V
47u
*D2503
B3ACA0000272
D2501
B3CKE0000007
V1
SM08B-GHS-TB(LF)(SN)
K1KA08B00270
SM_SIDE ENTRY
1
2
3
4
5
6
7
8
C1
C1
C1
C1 C1
C1
C1
C1
C1
C1
C1
C1
C1
C1
C1
C1
SN2551
B3JB00000046
TP2503
TP2502
TP2501
TP2505
TP2504
TP2507
TP2506
TP2508
RM2501
PNA4701M05TV
1
2
3
*Q2503
2SD0601ASL
Q2501
2SD0601ASL
Q2504
2SD0601A0L
Q2506
2SB0709ASL
Q2505
2SB0709ASL
*JS2501
1%
R2552
61.9k
R2520
47k
*R2511
47k
R2504
680
1%
R2551
27k
R2516
47k
R2513
47
*R2510
3.3k
R2526
0
R2519
1k
R2507
10k
R2517
10k
R2502
47k
R2514
22k
R2503
1.5k
R2501
47k
R2515
220k
*R2512
27k
R2506
10k
R2518
10k
Q2502
2SD0601ASL
RED/GREEN_LEDS
TIMER_RECORD
BATS
REMOTE_CONTROL
AA
AB
AC
I
V-BOARD TNP8EVL92
TO A1
A B C D E F
1
2
3
4
5
6
64
All manuals and user guides at all-guides.com

Related product manuals