EasyManua.ls Logo

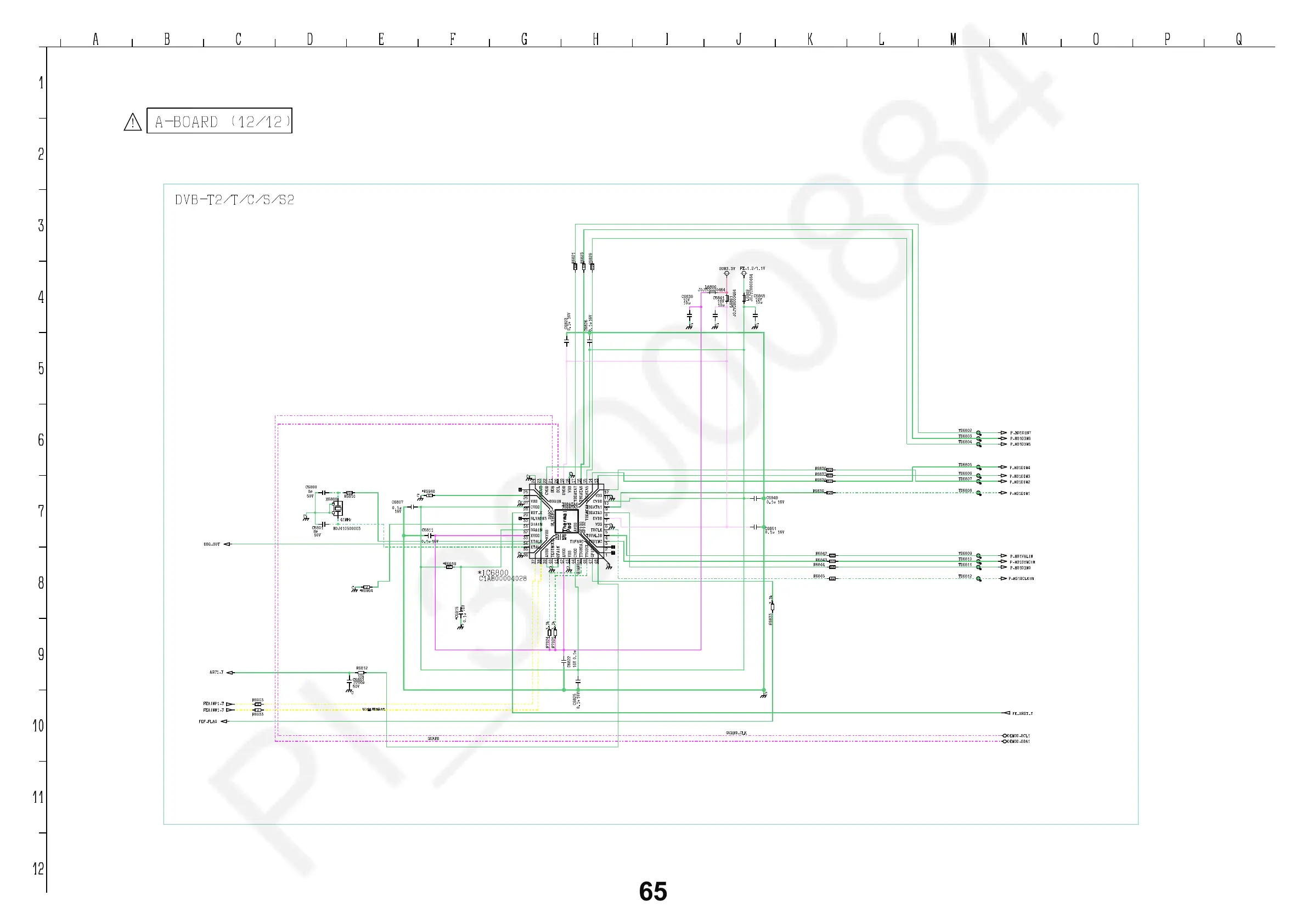
Panasonic TX-40DS500B - A-BOARD (12;12) Schematic Diagram

Panasonic TX-40DS500B
74 pages
Print Icon
To Next Page IconTo Next Page
To Next Page IconTo Next Page
To Previous Page IconTo Previous Page
To Previous Page IconTo Previous Page
Loading...
Thermal
Pad
GUARD_CLK
GUARD
GUARD
C6803
2200p
50V
C6851
16V
0.1u
C6826
16V
0.1u
C6845
10u
10V
C6800
50V
9p
*C6815
16V
0.1u
C6841
10u
10V
C6849
16V
0.1u
C6811
16V
0.1u
C6801
50V
8p
C6823
16V
0.1u
C6825
16V
0.1u
C6822
16V
0.1u
C6838
10u
10V
C6807
16V
0.1u
C1AB00004028
*IC6800
1
GPIO0
2
GPIO2
3
TSSYNC
4
TSVALID
5
TSCLK
6
VSS
7
DVDD
8
TSDATA0
9
TSDATA1
10
CVDD
11
VSS
12
TSDATA2
13
TSDATA3
14
TSDATA4
15
TSDATA5
16
TSDATA6
17
TSDATA7
18
VSS
19
DVDD
20
SCL
21
SDA
22
CVDD
23
DSQOUT
24
DSQIN
25
SLVADR0
26
SAGC
27
VSS
28
CVDD
29
RST_X
30
SLVADR3
31
SIAIN
32
SQAIN
33
XVDD
34
XTALO
35
XTALI
36
XVSS
37
TAINP
38
TAINM
39
AVSS
40
TESTMODE
41
RFAIN
42
AVDD
43
VSS
44
CVDD
45
TTUSDA
46
TTUSCL
47
GPIO1
48
TIFAGC
AVSS
L6800
J0JYC0000464
L6801
J0JYC0000464
L6802
J0JYC0000464
C
C
CC
C
C
C
C
C
C
C
C
C
C
C
C
C
C
FE_1.2/1.1V
SUB3.3V
TD6811
TD6808
TD6803
TD6804
TD6802
TD6807
TD6806
TD6812
TD6805
TD6810
TD6809
FEAINP1_T
FEAINN1_T
FE_XRST_T
P_HS1SYNCIN
P_HS1DIN1
AGC1_T
P_HS1DIN7
P_HS1DIN5
P_HS1DIN6
P_HS1DIN3
FEF_FLAG
P_HS1DIN0
P_HS1DIN4
DSQ_OUT
P_HS1BCLKIN
P_HS1VALIN
P_HS1DIN2
DEMOD_SCL1
DEMOD_SDA1
R6933
0
R6903
0
R6837
68
R6821
68
R7025
3.3k
R6829
68
R6843
68
R6812
10k
R6844
68
*R6964
0
*R6948
0
R6823
68
R6838
68
R6839
68
*R6818
0
R7024
3.3k
R6810
470
R6836
68
R6845
68
R6833
3.3k
R6842
68
X6800
H0J410500003
41MHz
DVB-T2/T/C/S/S2
p R
!
A-BOARD (12/12)
A B C D E F G H I J K L M N O P Q
1
2
3
4
5
6
7
8
9
10
11
12
65

Related product manuals