EasyManua.ls Logo

Panasonic TX-58AX800E - Block Diagrams; P-board, MD, GK, K-board Diagram

Panasonic TX-58AX800E
63 pages
Print Icon
To Next Page IconTo Next Page
To Next Page IconTo Next Page
To Previous Page IconTo Previous Page
To Previous Page IconTo Previous Page
Loading...
55
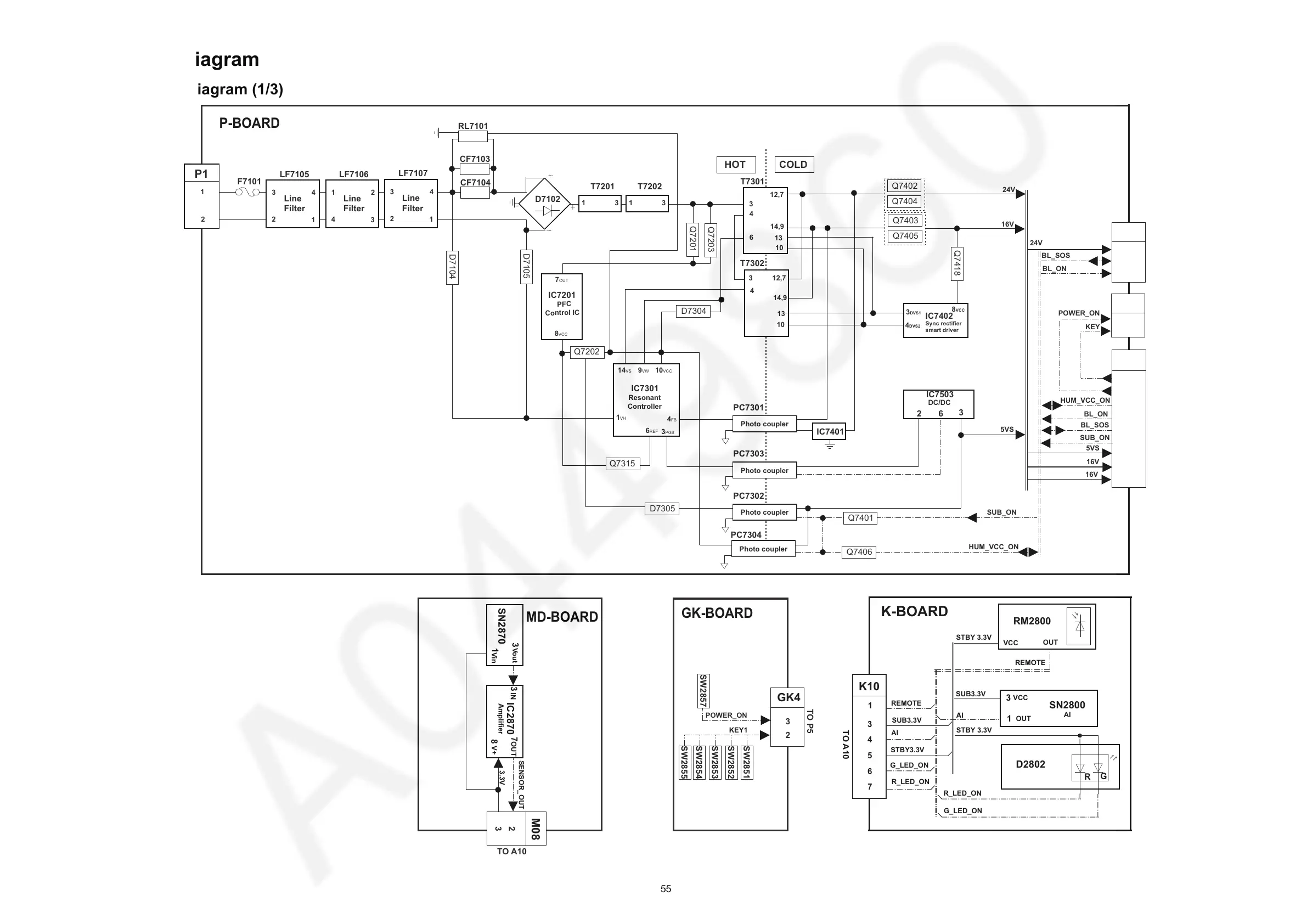
10 Block Diagram
10.1. Block Diagram (1/3)
Line
Filter
LF7106
F7101
1
4
2
3
Line
Filter
LF7107
3
2
4
1
CF7104
~
~
+
-
D7102
D7104
D7105
IC7301
14VS
9VW
Resonant
Controller
HOT
COLD
PC7301
Photo coupler
1
VH
4FB
P2
TO A02 / FR20
17
POWER_ON
20
19
18
IC7401
Line
Filter
LF7105
3
2
4
1
T7201
1
3
IC7201
PFC
Control IC
7OUT
8VCC
Q7201
Q7202
4
3
T7301
PC7303
Photo coupler
PC7302
Photo coupler
SUB_ON
D7305
6REF
10VCC
6
D7304
12,7
14,9
Q7401
P-BOARD
GK-BOARD
GK4
SW2855
SW2854
SW2853
SW2852
SW2851
KEY1
SW2857
3
2
TO P5
POWER_ON
K-BOARD
K10
7
3
4
5
6
1
SUB3.3V
STBY3.3V
RM2800
VCC
OUT
SN2800
AI
3
1
VCC
OUT
D2802
R
G
TO A10
REMOTE
AI
G_LED_ON
R_LED_ON
SUB3.3V
AI
STBY 3.3V
STBY 3.3V
R_LED_ON
G_LED_ON
REMOTE
RL7101
9-12
Q7315
3PGS
T7202
1
3
Q7203
4
3
T7302
14,9
P4
TO LD
24V
1-4
BL_SOS
9
BL_ON
10
P5
3
2
TO GK4
KEY
22
BL_ON
BL_SOS
SUB_ON
5VS
15
16V
12,7
Q7402
Q7404
24V
Q7403
Q7405
16V
IC7503
DC/DC
3
2
5VS
6
10
13
13
10
IC7402
Sync rectifier
smart driver
3DVS1
4DVS2
8VCC
Q7418
MD-BOARD
M08
2
3
TO A10
IC2870
Amplifier
7
8
OUT
V+
3
IN
SN2870
3
1
Vout
SENSOR_OUT
3.3V
Vin
P1
Main Input
1
2
CF7103
PC7304
Photo coupler
1-4
16V
Q7406
HUM_VCC_ON
21
HUM_VCC_ON

Related product manuals