EasyManua.ls Logo

Pando PLT-7260 - Подсоединение Сливного Шланга

Pando PLT-7260
Print Icon
To Next Page IconTo Next Page
To Next Page IconTo Next Page
To Previous Page IconTo Previous Page
To Previous Page IconTo Previous Page
Loading...
272
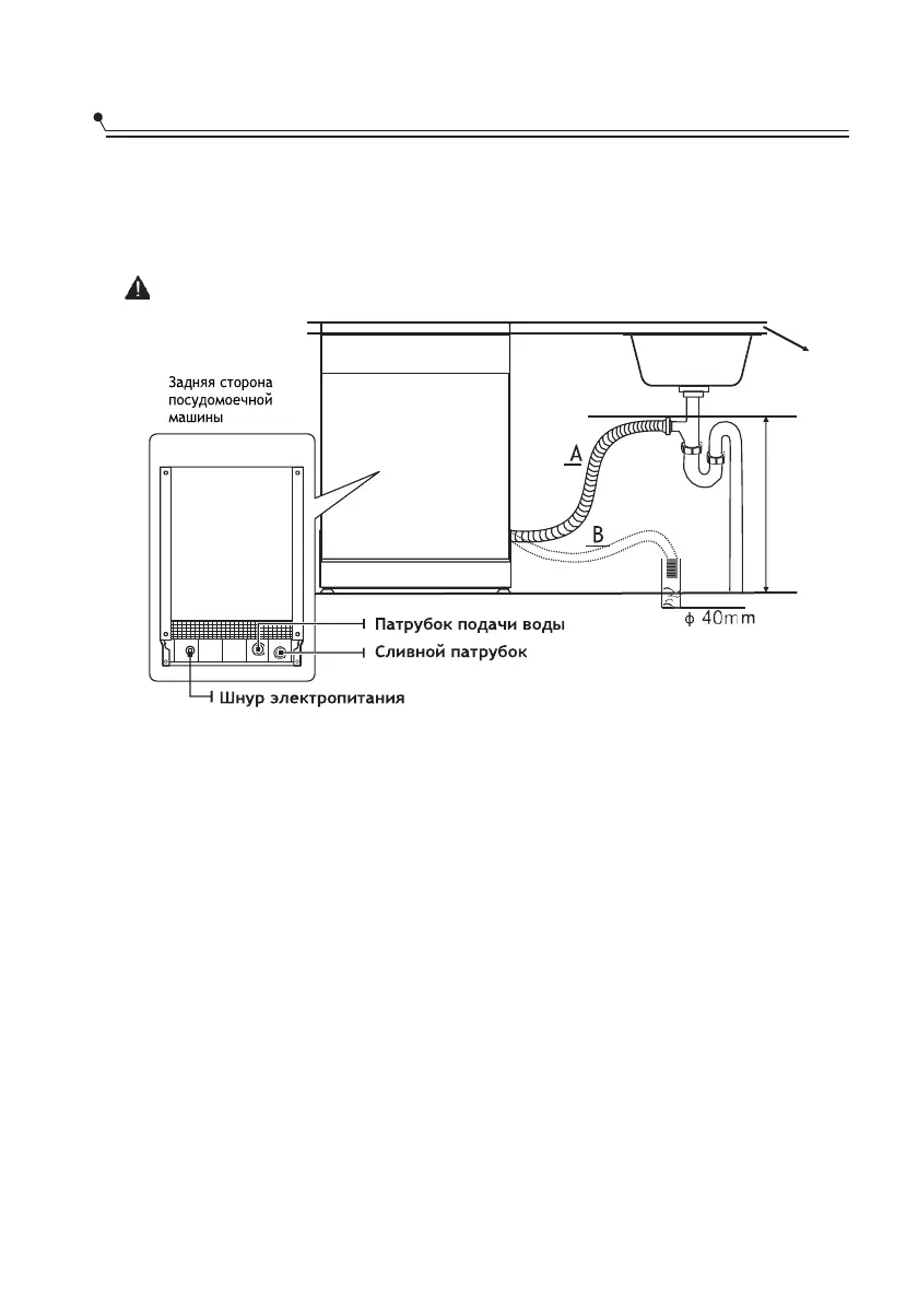
Вставьте сливной шланг в сливную (канализационную) трубу диаметром не
менее 4 см, или поместите конец шланга в раковину, не допуская при этом
сгибания или передавливания шланга. Высота сливной трубы не должна
превышать 1000 мм. Свободный конец шланга не должен быть погружен в
воду, в противном случае возможно возникновение обратного потока.
Убедитесь, что сливной шланг надежно закреплен в положении А или B.
Слив остатка воды из шланга
Если раковина находится на высоте 1000 мм и более от пола, оставшаяся в
шланге вода не может быть непосредственно слита в раковину. Для этой цели
используйте таз или другую подходящую емкость, разместив ее ниже уровня
раковины.
Сливной патрубок
Подсоедините шланг для слива воды. Для предотвращения утечки воды
сливной шланг должен быть правильно подсоединен к соответствующему
сливному патрубку. Убедитесь, что сливной шланг не изогнут и не
передавлен.
Удлинительный шланг
Если необходимо удлинить сливной шланг, используйте дополнительный шланг,
аналогичный имеющемуся сливному шлангу.
Общая длина шланга не должна превышать 4 м, в противном случае возможно
снижение эффективности мытья.
Расположение сифона
Подсоединение к сливному стояку следует выполнить на высоте не более 100
см от дна посудомоечной машины. Сливной шланг следует закрепить.
Подсоединение сливного шланга
Столешница
Сливной шланг
макс. 1000 мм

Table of Contents

Related product manuals