EasyManua.ls Logo

Parker Hiross Hyperchill ICE310 - Circuit Diagram

Parker Hiross Hyperchill ICE310
Print Icon
To Next Page IconTo Next Page
To Next Page IconTo Next Page
To Previous Page IconTo Previous Page
To Previous Page IconTo Previous Page
Loading...
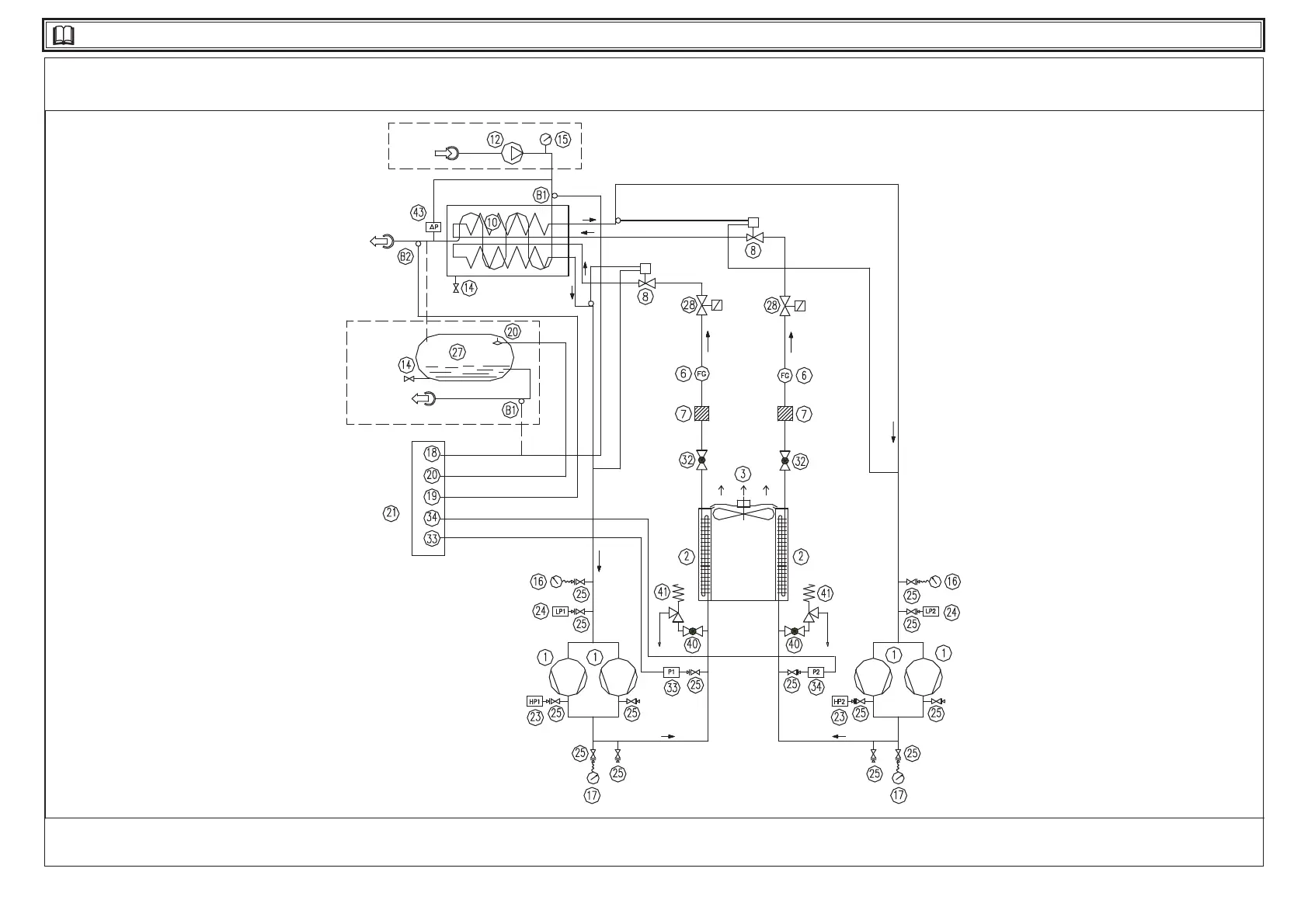
7.8 Circuit diagram ICE310-360
16
ICE310-360
,
P
Tank
A1

Table of Contents

Related product manuals