EasyManua.ls Logo

Parker Hiross Hyperchill ICE310 - Page 143

Parker Hiross Hyperchill ICE310
Print Icon
To Next Page IconTo Next Page
To Next Page IconTo Next Page
To Previous Page IconTo Previous Page
To Previous Page IconTo Previous Page
Loading...
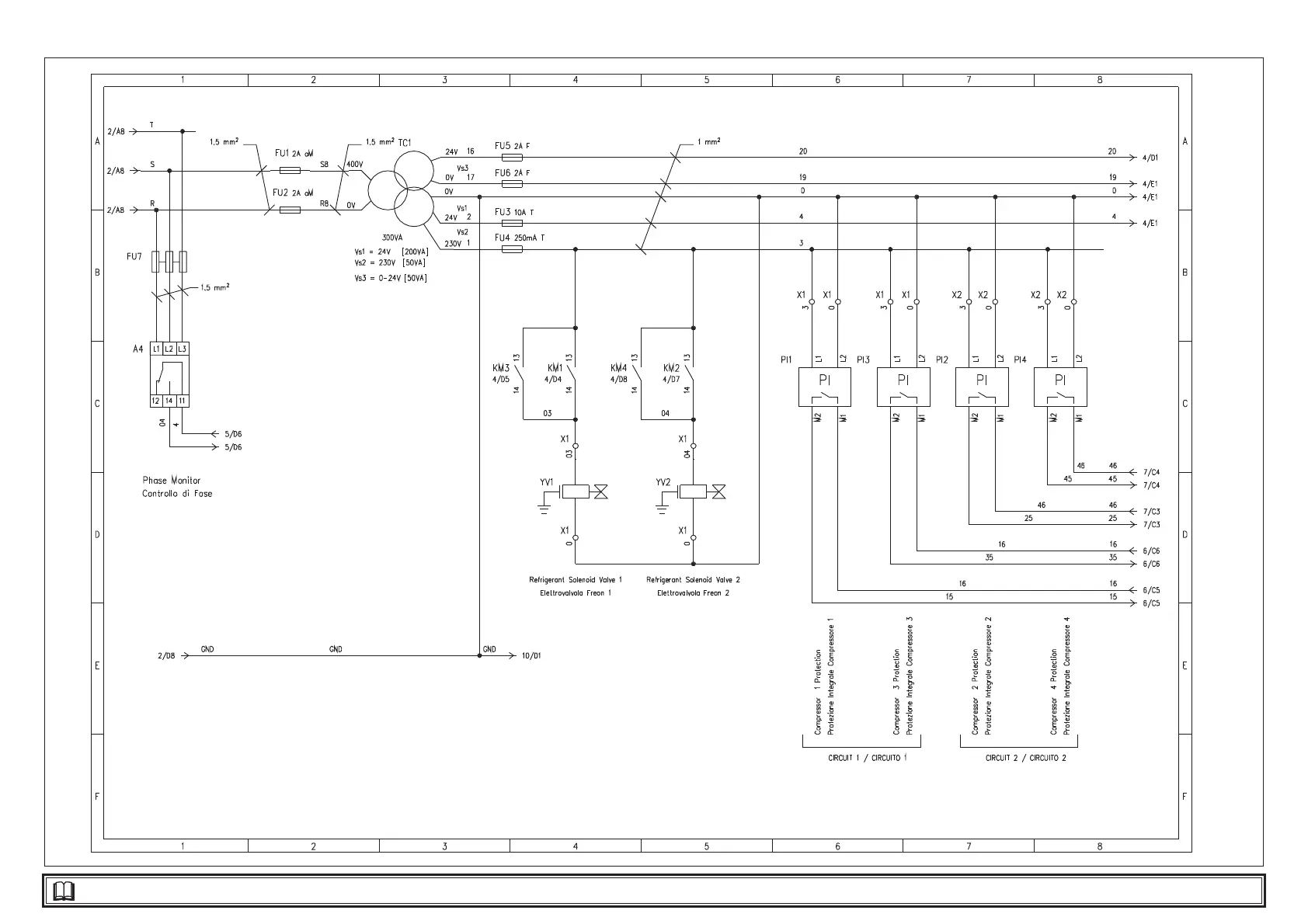
7.9 Wiring diagram ICE310-360
19
ICE310-360
,
(Sheet 3 of 11)

Table of Contents

Related product manuals