EasyManua.ls Logo

Parker 6901 - Page 39

Parker 6901
60 pages
Print Icon
To Next Page IconTo Next Page
To Next Page IconTo Next Page
To Previous Page IconTo Previous Page
To Previous Page IconTo Previous Page
Loading...
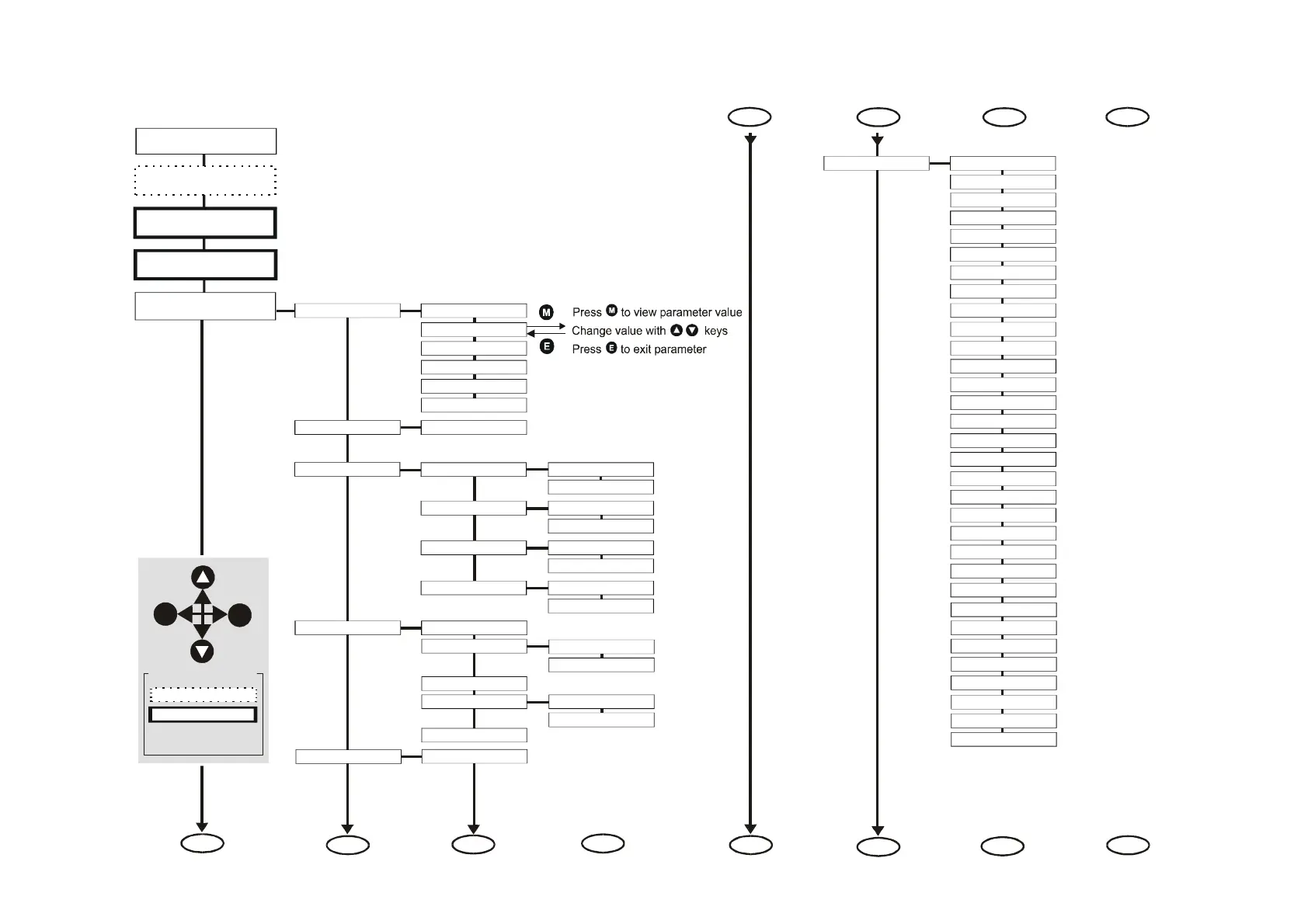
The Keypad 9-39
890CS Common Bus Supply - Frames B & D; 890CD Common Bus Drive and 890SD Standalone Drive - Frames B, C & D
WELCOME SCREEN
OPERATOR
menu at level 1
DIAGNOSTICS
menu at level 1
QUICK SETUP
menu at level 1
SETUP
menu at level 1
INPUTS & OUTPUTS
ANALOG OUTPUT 2
ANALOG INPUT 1
ANALOG OUTPUT
ANALOG OUTPUT 1
ANALOG INPUT
ANALOG INPUT 5
DIGITAL INPUT 9
DIGITAL INPUT
DIGITAL INPUT 1
DIGITAL OUTPUT 6
DIGITAL OUTPUT
DIGITAL OUTPUT 1
DISPLAY SCALE
MENUS
ACCESS CONTROL
DISPLAY SCALE 4
DISPLAY SCALE 1
OPERATOR MENU
OP STATION
OPERATOR MENU 32
OPERATOR MENU 1
SETPOINT DISPLAY
32
1
1
M
E
SELECTING ADVANCED
DISPLAYS ALL MENUS
OPERATOR / BASIC
Effect of VIEW LEVEL
BASIC
Effect of VIEW LEVEL
VIEW LEVEL
COMMUNICATIONS
COMMS PORT
CANOPEN
CONTROLNET
DEVICENET
FIREWIRE
PROFIBUS
EMC CAPACITORS
DRIVE SETUP
DRIVE CONFIG
3
2
MOTOR CONTROL
AUTOTUNE
DYNAMIC BRAKING
CURRENT LIMIT
ENERGY METER
ENCODER
FLUXING
FEEDBACKS
INERTIA COMP
FLYCATCHING
INJ BRAKING
4
4
MISCELLANEOUS
INVERSE TIME
INVERS TIME PMAC
MOT PMAC PROTECT
MECH BRAKE
MOTOR INDUCTION
MOT POLARISATION
MOTOR PMAC 1
PATTERN GEN
MOTOR PMAC 2
POWER LOSS CNTRL
POSITION LOOP
RESOLVER
REGEN CNTRL
SKIP FREQUENCIES
SLIP COMP
SLEW RATE LIMIT
SPEED LOOP 2
SPEED LOOP
TORQUE LIMIT
STABILISATION
VOLTAGE CONTROL
ZERO SPEED
1
3
2
4
The Menu System Map