EasyManua.ls Logo

Parker L90 - Page 2

Parker L90
4 pages
Print Icon
To Next Page IconTo Next Page
To Next Page IconTo Next Page
To Previous Page IconTo Previous Page
To Previous Page IconTo Previous Page
Loading...
PARKER L90 V41 Page 2 of 4
2.3 DRAIN LINE
The third (the smallest) hose is the drain line and this should be connected directly to the tank without
additional pressure drop (NOT through filters or tractor’s control valve etc.), in order to avoid damages to
the control valve. Model-specific information for the drain line connection options can be received from the
tractor’s dealer.
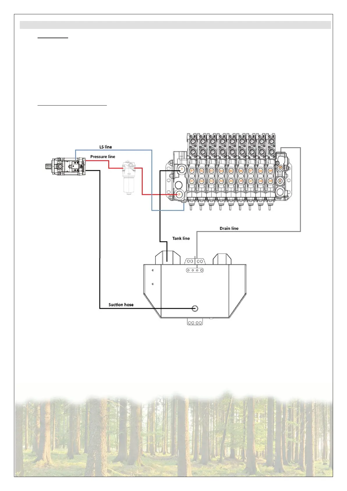
2.4 CONNECTION WITH PUMP
In case the trailer is equipped with own hydraulic pump and tank, the connection of the hydraulics is the
following.

Related product manuals