EasyManua.ls Logo

parr 4520 - Air Motor Operation and Maintenance

parr 4520
32 pages
Print Icon
To Next Page IconTo Next Page
To Next Page IconTo Next Page
To Previous Page IconTo Previous Page
To Previous Page IconTo Previous Page
Loading...
- 17 -
4520 Bench Top Reactors
Parr Instrument Company
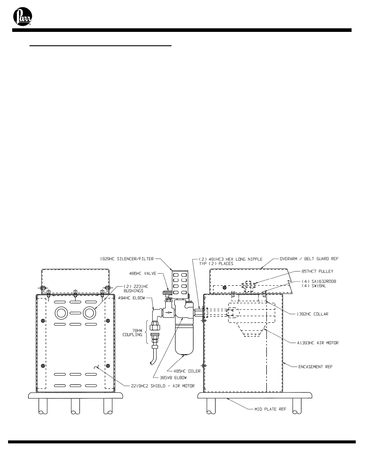
Air Motor
Variable speeds from 100 to 2000 rpm
can be obtained by replacing the standard
motor with an A1393HC air motor assembly.
This motor operates on compressed air
which must be supplied at 40 psig minimum
pressure with at least 10 CFM available at
that pressure. It is furnished with a speed
control valve and oiler, all assembled on a
mounting bracket.
To operate reactors equipped with an air
motor, mount the assembly firmly on the
stand and connect the air hose to a
compressed air line. For best torque and
speed control the piping to the motor should
be at least 1/4" IPS or larger. Fill the oiler
with SAE 10 oil and adjust the oiler to feed
one drop per minute into the air stream. For
long continuous runs at high speeds the
oiling rate should be increased to three
drops per minute.
If the motor becomes sluggish, flush it
with a non-flammable solvent in a well
ventilated area. Disconnect the air line and
muffler and pour a small amount of solvent
into the inlet port. Rotate the shaft by hand
in both directions for a few minutes; then
connect the air line and run the motor until
there is no further trace of solvent in the
exhaust.
If the muffler felts are dirty, wash them in
solvent or replace them.
Re-lubricate the motor with a squirt of oil into
the chamber and reassemble.
If it becomes necessary to disassemble
the motor to replace the vanes, follow the
directions given in the instruction sheet
published by the Gast Manufacturing
Corporation, Benton Harbor, Michigan.
Air Motor Option

Related product manuals