EasyManua.ls Logo

parr 4520 - Vessel Heaters Parts and Stand; Vessel Heater Parts List; Benchtop Stand Arrangement

parr 4520
32 pages
Print Icon
To Next Page IconTo Next Page
To Next Page IconTo Next Page
To Previous Page IconTo Previous Page
To Previous Page IconTo Previous Page
Loading...
- 31 -
4520 Bench Top Reactors
Parr Instrument Company
Vessel Heaters Parts List
Part No. Description
FOR FIXED HEAD VESSELS
A2256HC10EB Heater Assembly 1000W 115V 1L
A2256HC10EE Heater Assembly 1000W 230V 1L
A2256HC12EB Heater Assembly 1000W 115V 1L w/
thermowell
Part No.
Description
A2256HC12EE Heater Assembly 1000W 230V 1L w/
thermowell
A2256HC20EB Heater Assembly 1500W 115V 2L
A2256HC20EE Heater Assembly 1500W 230V 2L
A2256HC22EB Heater Assembly 1500W 115V 2L w/
thermowell
A2256HC22EE Heater Assembly 1500W 230V 1L w/
thermowell
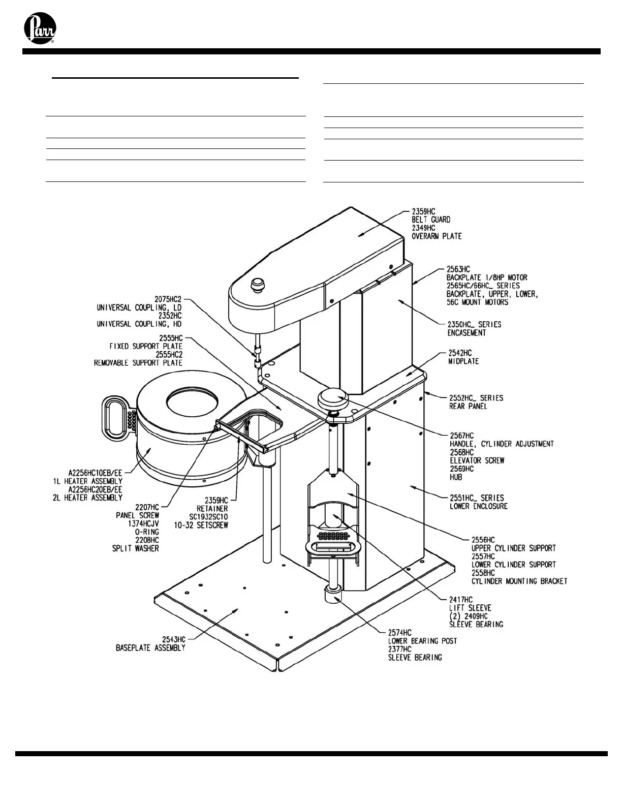
Benchtop Stand Arrangement

Related product manuals