EasyManua.ls Logo

Partner PWT420 - Drive Belt and Pulley System; Chassis and Housing Parts; Spindle and Cutting Head Assembly

Partner PWT420
4 pages
Print Icon
To Previous Page IconTo Previous Page
To Previous Page IconTo Previous Page
Loading...
4
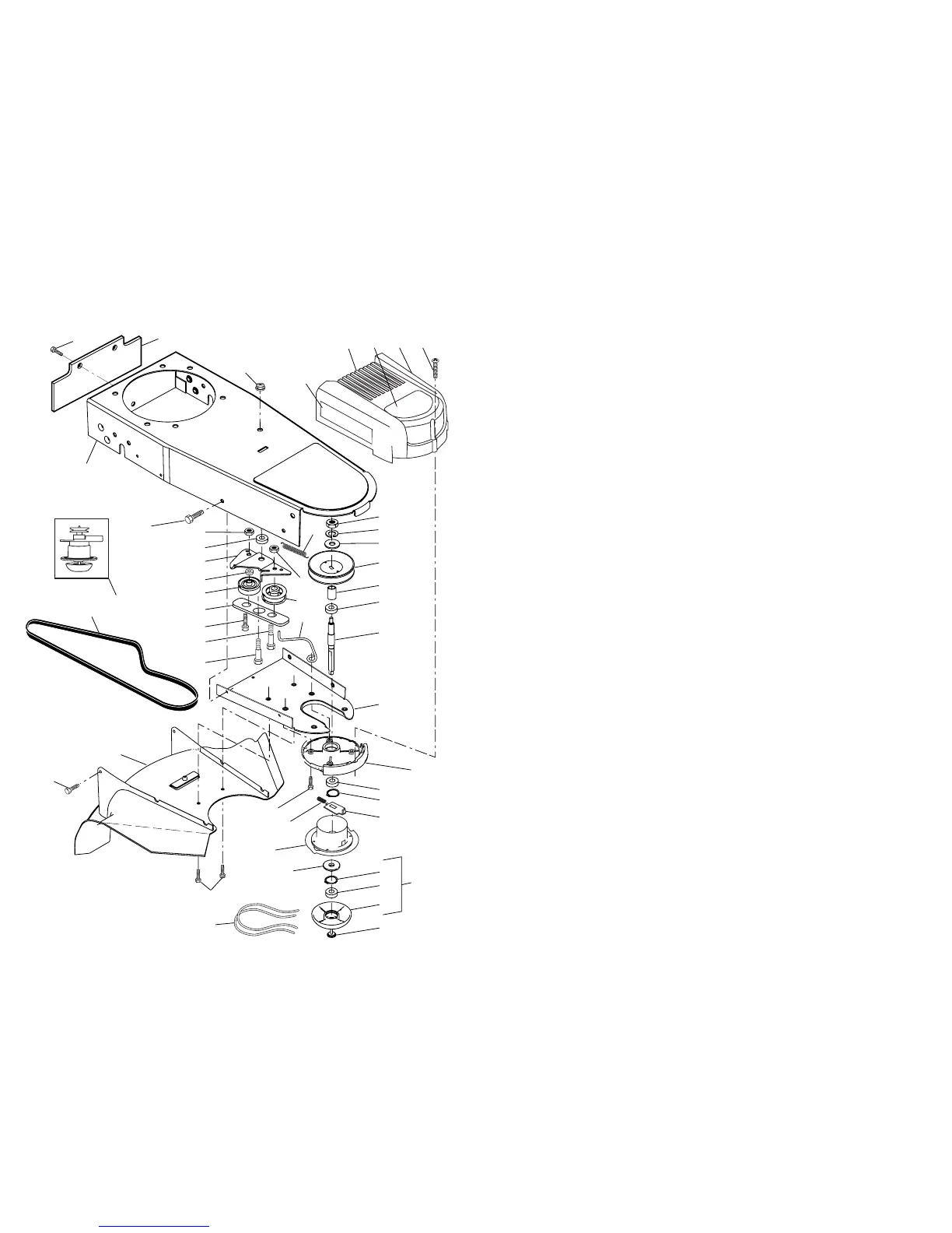
WEED TRIMMER - MODEL NUMBER PWT420 (96171000203)
PRODUCT NUMBER 961 71 00-02
12
43
14
1
52
51
17
4
13
16
18
34
33
39
38
27
37
27
30*
36
31
35
32
3
22
23
24
25
26
27*
28
9
10
19
7
6
41
5
8
11
15
29
40
45
21
47
46
20
44
2
5
1 532 18 67-60 Chassis Assembly
2 532 18 22-19 Line, Trimmer .155 diameter x 18.75 long
3 532 17 37-15 Screw, Self-Tapping 5/16-18 x 1
4 532 18 54-76 V-Belt
5 532 18 67-51 Bracket, Idler
6 532 16 60-42 Pulley, Idler, V-Groove
7 532 17 37-16 Bolt, Hex Head 3/8-16 x 1.25
8 532 75 15-92 Locknut, Hex 3/8-16
9 532 16 60-43 Pulley, Idler, Flat
10 532 16 08-29 Bolt, Shoulder
11 532 15 55-52 Locknut 5/16-18
12 532 17 37-17 Spacer
13 532 17 47-19 Bolt, Shoulder
14 532 40 91-49 Locknut, Flange
15 532 17 38-11 Spring, Return
16 532 18 02-68 Defl ector, Bottom
17 532 05 78-08 Screw 1/4-20 x 1/2
18 532 17 88-48 Screw #10-24 x 3/4
19 532 19 95-74 Belt Keeper
20 532 17 83-90 Cover, Chassis, Top
21 532 14 97-46 Screw #10-24 x 1-3/4
22 873 61 06-00 Nut, Hex 3/8-24 UNF
23 532 85 02-63 Washer, Lock 3/8
24 819 12 12-14 Washer, Flat 3/8
25 532 18 03-40 Pulley, Driven
26 532 17 25-51 Spacer, Pulley
27 532 17 45-49 Bearing
28 532 17 25-20 Jackshaft
29 532 18 67-52 Cover, Chassis, Bottom
30 532 17 45-43 Spindle Housing Assembly (* Includes Upper Bearing, Key No. 27)
31 532 17 45-81 Ring, Retaining, External, 17mm
32 532 17 39-73 Spring, Locking Plate
33 532 17 25-19 Locking Plate
34 532 18 03-38 Carrier Plate Assembly
35 532 18 22-17 Mow Ball Assembly (Includes Key Numbers 27, 37 and 38)
36 532 17 25-16 Cover, Bearing
37 532 17 45-80 Ring, Retaining, Internal, 40mm
38 532 17 25-23 Mow Ball
39 532 18 03-34 Bolt, Mow Ball
40 532 18 03-33 Spindle Assembly, Complete (Includes Key No. 22-28 and 30-39)
41 532 17 40-29 Spacer
42 532 18 74-58 Decal, Safety
43 532 17 40-42 Decal, Instruction
44 532 18 66-00 Decal, Chassis Cover
45 532 18 67-53 Belt Keeper, Bottom
46 817 06 04-08 Screw, Self-Tapping
47 532 18 22-05 Decal, Instruction
51 532 18 90-06 Defl ector, Rear
52 532 17 88-48 Screw
KEY PART
NO. NO. DESCRIPTION
WEED TRIMMER - MODEL NUMBER PWT420 (96171000203)
PRODUCT NUMBER 961 71 00-02
NOTE: All component dimensions given in U.S. inches. 1 inch = 25.4 mm
IMPORTANT: Use only Original Equipment Manufacturer (O.E.M.) replacement parts. Failure to do so could be
hazardous, damage your weed trimmer and void your warranty.

Related product manuals