EasyManua.ls Logo

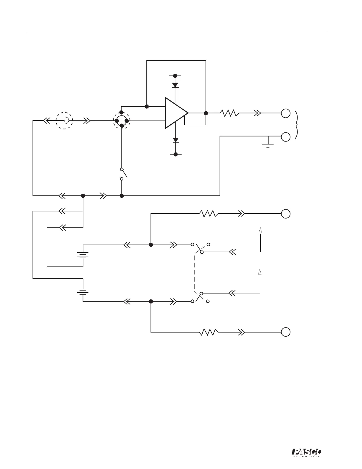
PASCO h/e Apparatus - Schematic Diagram

PASCO h/e Apparatus
22 pages
Print Icon
To Next Page IconTo Next Page
To Next Page IconTo Next Page
To Previous Page IconTo Previous Page
To Previous Page IconTo Previous Page
Loading...
h/e Apparatus and h/e Apparatus Accessory Kit 012-04049J
14
®
2
R1
1K
J1
J2
OUTPUT
+9V
D1
1N914
D2
1N914
7
4
6
8
U1
AD549JH
3
-9V
PD1
VACUUM
PHOTODIODE
1P39
84
S2
PUSH TO
ZERO
P3-3 J3-3
J3-4 P3-4
J3-4 P1-4
J3-4 P1-4
J3-5P3-5
BAT 1
BAT 2
+
_
+
_
J1-5 P1-5 P2-1
J1-1 P1-1 P2-2
J2-1
J2-2
S1
ON/OFF
J2-5
J2-4 P2-4
P2-5
-9V
+9V
R2
1K
R3
1K
P3-1 J3-1
P3-2 J3-2
J3
J4
+6V MIN
-6V MIN
BATTERY TEST
ON OFF
+
Schematic Diagram

Related product manuals