EasyManua.ls Logo

Patron PHG-40 - Schéma du Brûleur

Patron PHG-40
48 pages
Print Icon
To Next Page IconTo Next Page
To Next Page IconTo Next Page
To Previous Page IconTo Previous Page
To Previous Page IconTo Previous Page
Loading...
19
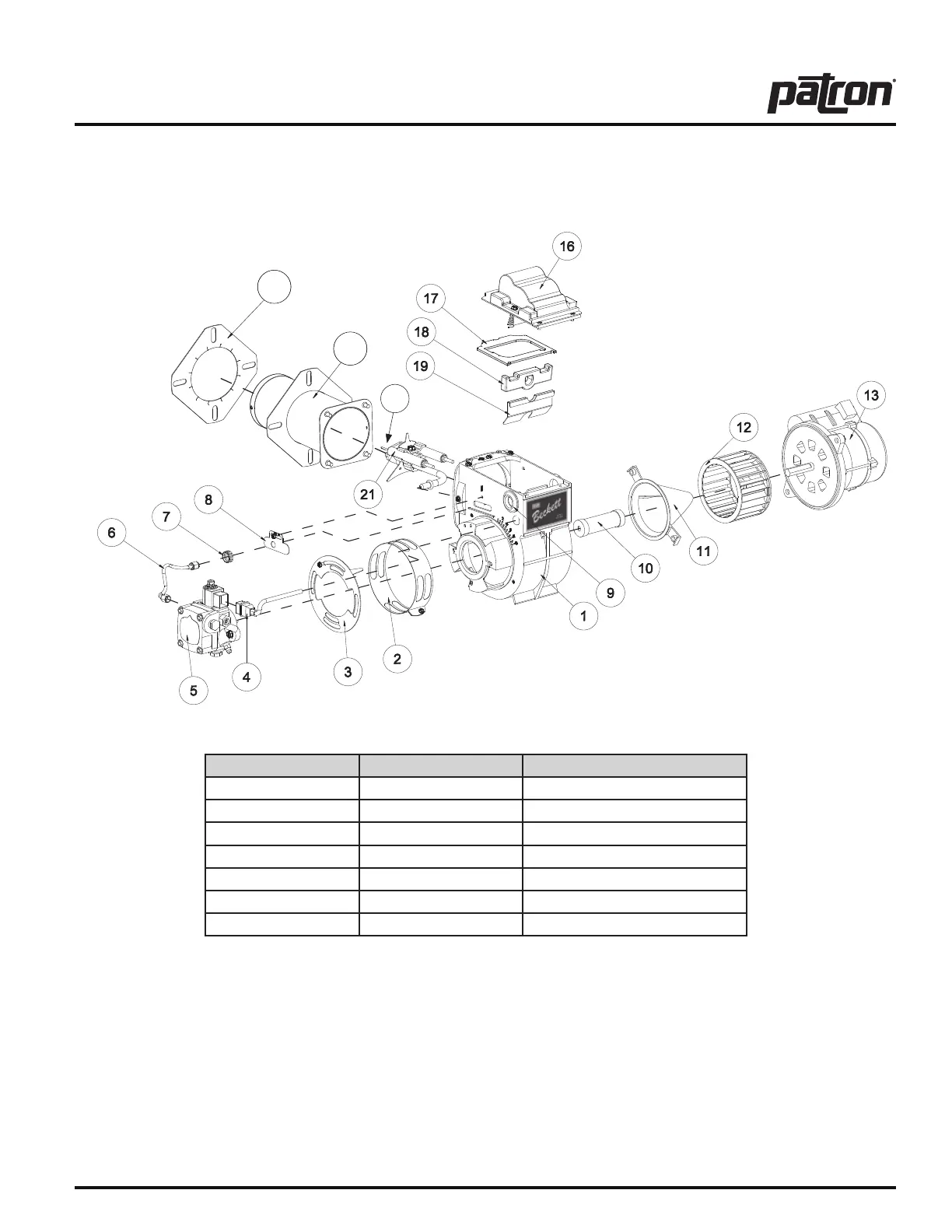
SCHÉMA DE BRÛLEUR
NUMÉRO D’IMAGE NUMÉRO D’ARTICLE DESCRIPTION
1 59.110.004 MOTEUR DE LA SOUFFLANTE
2 59.110.005 ACCOUPLEMENT D'ARBRE
3 59.110.000 POMPE À ESSENCE
4, 5, 6 59.110.001 SOLÉNOÏDE DE CARBURANT
7 59.110.002 ASSEMBLAGE D'ÉLECTRODE
8 59.110.003 ALLUMEUR
24 59.000.002 BUSE DE CARBURANT
ADC BECKETT
59.000.001
22
23
24
22
23