EasyManua.ls Logo

Patron PHG-40 - Schéma de Câblage du Panneau de Commande

Patron PHG-40
48 pages
Print Icon
To Next Page IconTo Next Page
To Next Page IconTo Next Page
To Previous Page IconTo Previous Page
To Previous Page IconTo Previous Page
Loading...
21
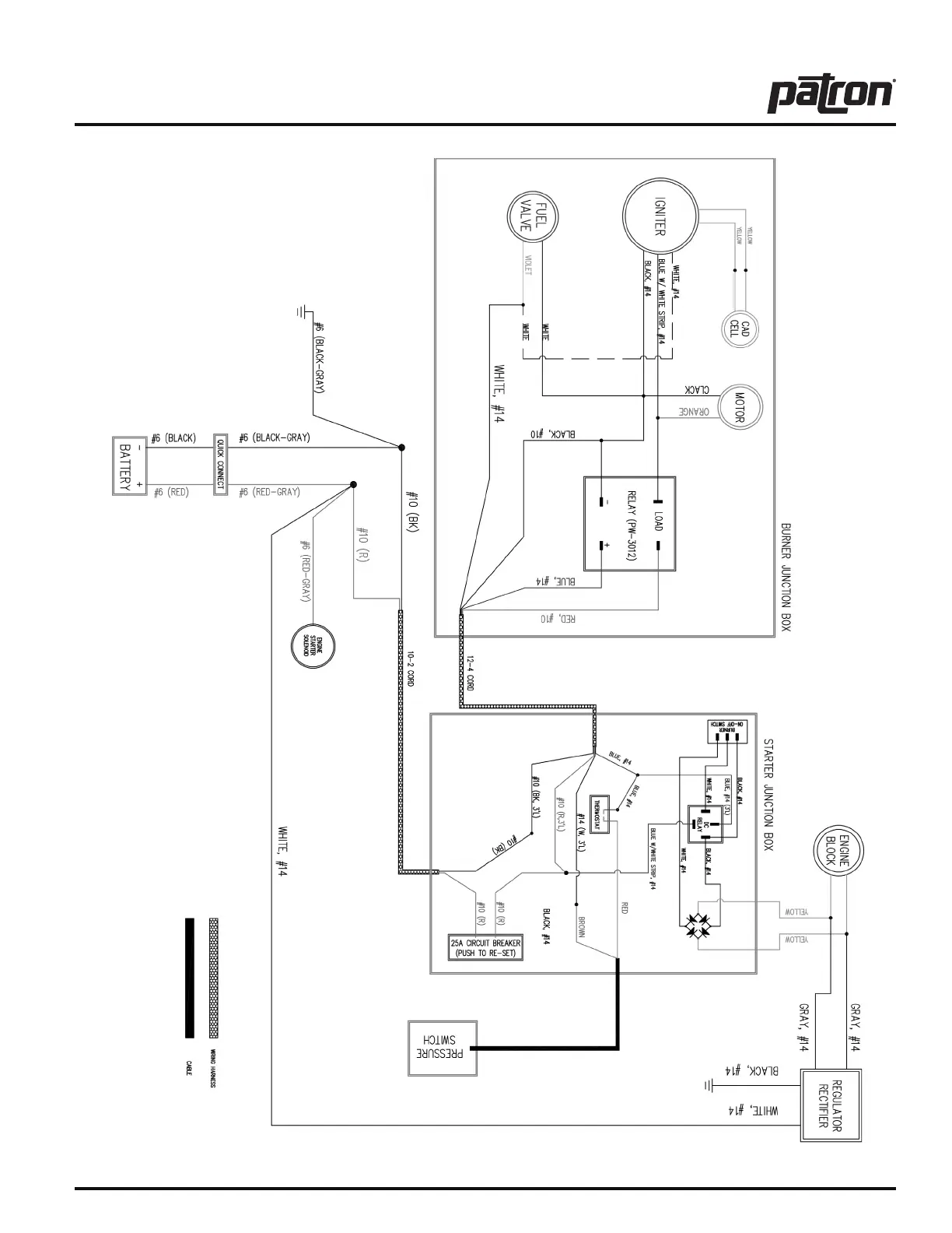
SCHÉMA DE CÂBLAGE DU PANNEAU
DE COMMANDE