EasyManua.ls Logo

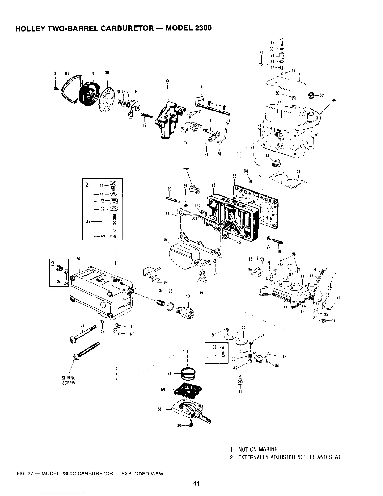
PCM 302 - Model 2300 C Carburetor Exploded View

Default Icon
335 pages
Print Icon
To Next Page IconTo Next Page
To Next Page IconTo Next Page
To Previous Page IconTo Previous Page
To Previous Page IconTo Previous Page
Loading...

Table of Contents

Related product manuals